Для студентов МГТУ им. Н.Э.Баумана по предмету Сопротивление материаловРастяжение-сжатиеРастяжение-сжатие
4,96529336
2025-08-252025-08-25СтудИзба
ДЗ 1: Растяжение-сжатие вариант 8
-30%
Описание
Нужна только одна задача из всех? - Нажимай на ссылку
![]() | ![]() | ![]() |
Образец ![]()
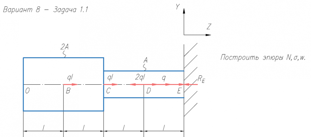
Показать/скрыть дополнительное описаниеПостроить эпюры N,σ,w; 1)Определить нагрузку q, при которой в системе возникнут первые пластические деформации. 2)Построить эпюры N,σ,w для стержня и трубки при этом значении нагрузки. l=200мм; E/ст=2*105/МПа; E/м=1*105/МПа; A=300мм2/; σ/тст=300МПа; σ/тм=150МПа; 1)Определить нагрузку, при которой в стержневой системе возникают первые пластические деформации. 2)Найти напряжения, возникающие в стержнях при найденной нагрузке. l=0,6м; E=2*105/МПа; A=200мм2/; σ/Т=280МПа.
Файлы условия, демо
Характеристики домашнего задания
Предмет
Учебное заведение
Семестр
Номер задания
Вариант
Программы
Теги
Просмотров
4
Качество
Идеальное компьютерное
Размер
855,29 Kb
Преподаватели
Список файлов
Вариант 8 - Задача 1.1.pdf
Вариант 8 - Задача 1.2.pdf
Вариант 8 - Задача 1.3.pdf
Вариант 8 - Растяжение-сжатие.pdf

Вам все понравилось? Получите кэшбэк - 40 рублей на Ваш счёт при покупке. Поставьте оценку и напишите положительный комментарий к купленному файлу. После Вы получите деньги на ваш счет.