Для студентов МГТУ им. Н.Э.Баумана по предмету Сопротивление материаловЗадача 2.2Задача 2.2
4,90547171
2023-08-192025-02-12СтудИзба
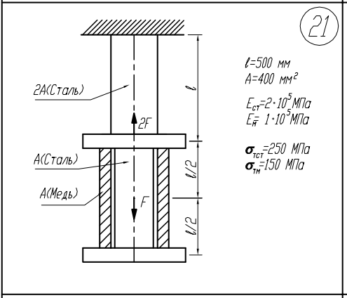
Задача 2.2 вариант 21
-73%
Описание
Вариант 21 - ДЗ №2 - Растяжение — сжатие - Задача 2
Зачтено на максимальный балл 💥 💥 💥
Спасибо за покупку 🥰🥰 🥰


Характеристики решённой задачи
Предмет
Учебное заведение
Семестр
Номер задания
Вариант
Теги
Просмотров
33
Размер
956,03 Kb
Список файлов
2-1.jpg
2-2.jpg

Друзья, спасибо за доверие! Если вам понравилась работа – поставьте 5⭐ и напишите отзыв. Это поможет другим студентам, а мне даст силы делать ещё больше качественных материалов для вас 🔥