Для студентов МГТУ им. Н.Э.Баумана по предмету Сопротивление материаловЗадача 2.1Задача 2.1
5,0052
2023-08-092024-11-23СтудИзба
Задача 2.1 вариант 15
-40%
Описание


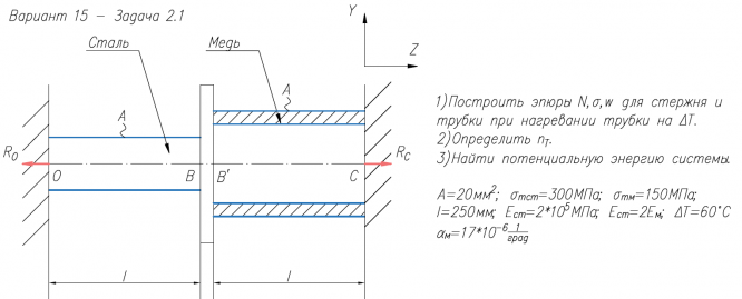
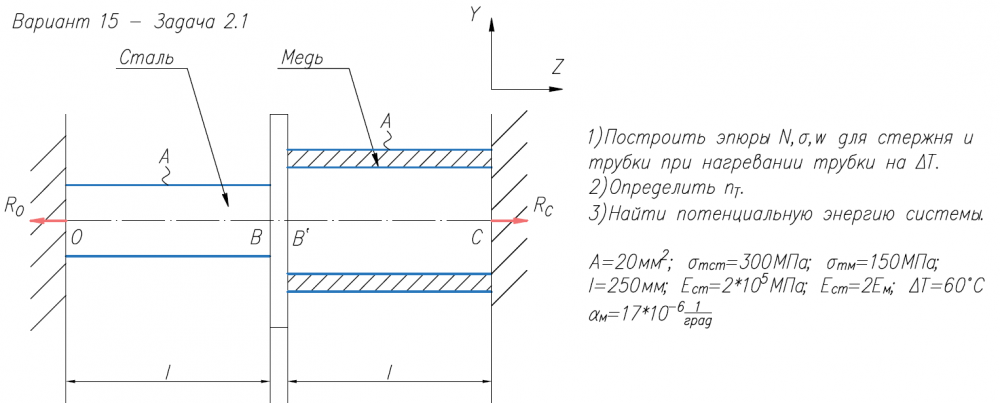
1)Построить эпюры N,σ,w для стержня и трубки при нагревании трубки на ΔT. 2)Определить n/Т. 3)Найти потенциальную энергию системы. A=20мм2/; σ/тст=300МПа; σ/тм=150МПа; l=250мм; E/ст=2*105/МПа; E/ст=2E/м; ΔT=60°С α/м=17*10-6/1/град .
Характеристики решённой задачи
Предмет
Учебное заведение
Семестр
Номер задания
Вариант
Программы
Теги
Просмотров
40
Качество
Идеальное компьютерное
Размер
62,44 Kb
Список файлов
Вариант 15 - Задача 2.1.pdf

Вам все понравилось? Получите кэшбэк - 40 рублей на Ваш счёт при покупке. Поставьте оценку и напишите положительный комментарий к купленному файлу. После Вы получите деньги на ваш счет.