Для студентов МГТУ им. Н.Э.Баумана по предмету Сопротивление материаловСтатически определимые балкиСтатически определимые балки
5,005281
2021-03-052024-09-03СтудИзба
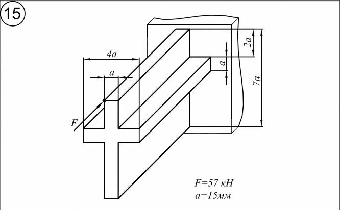
ДЗ 3: Статически определимые балки вариант 15
-55%
Описание
Вариант 15 - ДЗ №3 - Статически определимые балки - Задача 1+2
Зачтено на максимальный балл 💥 💥 💥
Задача 1



Характеристики домашнего задания
Предмет
Учебное заведение
Семестр
Номер задания
Вариант
Теги
Просмотров
414
Размер
11,03 Mb
Список файлов
Вариант 15 - ДЗ №4 - Статически определимые балки - Задача 1.pdf
Вариант 15 - ДЗ №4 - Статически определимые балки - Задача 2.pdf
Условие.pdf

Друзья, спасибо за доверие! Если вам понравилась работа – поставьте 5⭐ и напишите отзыв. Это поможет другим студентам, а мне даст силы делать ещё больше качественных материалов для вас 🔥
Комментарии

Отзыв
все правильно