Для студентов МГТУ им. Н.Э.Баумана по предмету Сопротивление материаловЗадача 5.1Задача 5.1
5,0051
2023-03-032025-02-11СтудИзба
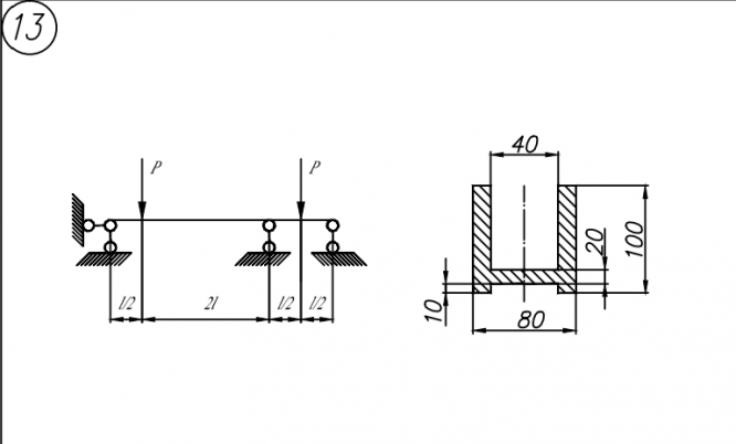
Задача 5.1 вариант 13
Описание
Домашнее задание №1, задача 1, "Статически неопределимые задачи изгиба", зачтено
Задача 5.1:
Показать/скрыть дополнительное описание
Задача 5.1:


Типовой расчет по сопротивлению материалов.
Характеристики решённой задачи
Предмет
Учебное заведение
Семестр
Номер задания
Вариант
Теги
Просмотров
46
Качество
Фото рукописных листов
Размер
1,68 Mb
Список файлов
Вариант 13 СОЗИ 1 107.pdf

Спасибо за покупку! Я буду очень рад, если поставишь справедливую оценку купленному файлу :3 Ищи больше работ в моём профиле, там много нужного тебе!