Для студентов МГТУ им. Н.Э.Баумана по предмету Сопротивление материаловЗадача 5.1Задача 5.1
5,0051
2023-02-202025-09-05СтудИзба
Задача 5.1 вариант 19
-76%
Описание
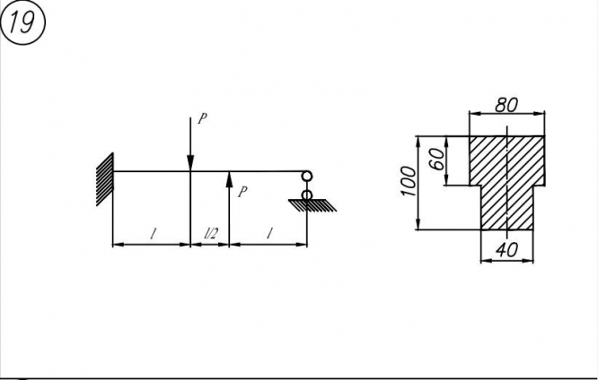
Вариант 19 - ДЗ №1 - Статически неопределимые задачи изгиба - Задача 1
Зачтено на максимальный балл
Задача 1Произвести расчет балки при упругих деформациях
а) Раскрыть статическую неопределимость и построить эпюры Qy и Mx
б) Определить допускаемую нагрузку
в) Примерный вид упругой линии балки



Характеристики решённой задачи
Предмет
Учебное заведение
Семестр
Номер задания
Вариант
Теги
Просмотров
38
Размер
8,55 Mb
Список файлов
1.jpg
2.jpg
3.jpg

Друзья, спасибо за доверие! Если вам понравилась работа – поставьте 5⭐ и напишите отзыв. Это поможет другим студентам, а мне даст силы делать ещё больше качественных материалов для вас 🔥