Для студентов МГТУ им. Н.Э.Баумана по предмету Сопротивление материаловЗадача 5.2Задача 5.2
5,0052
2021-03-272025-09-05СтудИзба
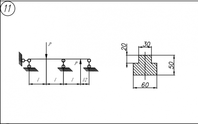
Задача 5.2 вариант 11
-76%
Описание
Зачтено на максимальный балл
ДЗ №1 за 4й семестр по "Сопротивлению материалов" по теме "Статически-неопределимые балки"

Характеристики решённой задачи
Предмет
Учебное заведение
Семестр
Номер задания
Вариант
Теги
Просмотров
179
Размер
478,51 Kb
Список файлов
ДЗ №2 (вариант 11) (проверено 2021г).pdf

Друзья, спасибо за доверие! Если вам понравилась работа – поставьте 5⭐ и напишите отзыв. Это поможет другим студентам, а мне даст силы делать ещё больше качественных материалов для вас 🔥