Для студентов МГТУ им. Н.Э.Баумана по предмету Сопротивление материаловЗадача 5.1Задача 5.1
5,0056
2020-05-182020-05-18СтудИзба
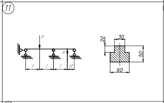
Задача 5.1 вариант 11
Описание

Характеристики решённой задачи
Предмет
Учебное заведение
Семестр
Номер задания
Вариант
Теги
Просмотров
172
Качество
Фото рукописных листов
Размер
3,66 Mb
Список файлов
5-1_Статически_неопределимые_задачи_изгибы.pdf
ставьте плюсик ^^
Комментарии
Нет комментариев
Стань первым, кто что-нибудь напишет!
МГТУ им. Н.Э.Баумана
bmstu-2018


















