Для студентов МГТУ им. Н.Э.Баумана по предмету Сопротивление материаловЗадача 5.3Задача 5.3
5,00512
2015-05-312025-05-23СтудИзба
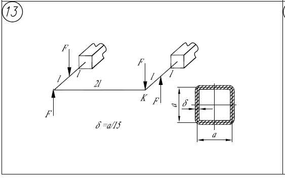
Задача 5.3 вариант 13
Описание

Характеристики решённой задачи
Предмет
Учебное заведение
Семестр
Номер задания
Вариант
Теги
Просмотров
3031
Качество
Фото рукописных листов
Размер
4,71 Mb
Список файлов
5.3.pdf
(5.3).pdf

Вам все понравилось? Получите кэшбэк - 40 рублей на Ваш счёт при покупке. Поставьте оценку и напишите положительный комментарий к купленному файлу. После Вы получите деньги на ваш счет.