Для студентов МГТУ им. Н.Э.Баумана по предмету Сопротивление материаловСтатически определимые балкиСтатически определимые балки
4,90547415
2025-02-072025-02-07СтудИзба
ДЗ 3: Статически определимые балки вариант 3
-55%
Описание
Вариант 3 - ДЗ №3 - Статически определимые балки
Зачтено на максимальный балл 💥 💥
Спасибо за покупку 🥰🥰 🥰
Пример:
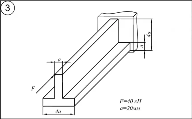
Задача 1:



Характеристики домашнего задания
Предмет
Учебное заведение
Семестр
Номер задания
Вариант
Теги
Просмотров
2
Размер
5,86 Mb
Список файлов
Вариант 3 - ДЗ №3 - Статически определимые балки.docx

Друзья, спасибо за доверие! Если вам понравилась работа – поставьте 5⭐ и напишите отзыв. Это поможет другим студентам, а мне даст силы делать ещё больше качественных материалов для вас 🔥