Для студентов МГТУ им. Н.Э.Баумана по предмету Сопротивление материаловСтатически неопределимые задачи изгибаСтатически неопределимые задачи изгиба
4,97514517
2023-03-272025-02-11СтудИзба
ДЗ 4: Статически неопределимые задачи изгиба вариант 17
-25%
Описание
Домашнее задание №1, 2 задачи, "Статически неопределимые задачи изгиба", зачтено
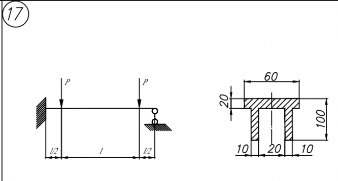
Задача 5.1:
Задача 5.2:
Показать/скрыть дополнительное описание
Задача 5.1:


Задача 5.2:


Типовой расчет по сопротивлению материалов МГТУ.
Характеристики домашнего задания
Предмет
Учебное заведение
Семестр
Номер задания
Вариант
Просмотров
43
Качество
Фото рукописных листов
Размер
4,55 Mb
Список файлов
Задача 1.pdf
Задача 2.pdf

Спасибо за покупку! Я буду очень рад, если поставишь справедливую оценку купленному файлу :3 Ищи больше работ в моём профиле, там много нужного тебе!