Для студентов МГТУ им. Н.Э.Баумана по предмету Сопротивление материаловСтатически определимые балкиСтатически определимые балки
5,0052
2023-02-032024-09-03СтудИзба
ДЗ 3: Статически определимые балки вариант 25
-55%
Описание
Вариант 25 - ДЗ №3 - Статически определимые балки - Задача 1 + 2
Зачтено на максимальный балл
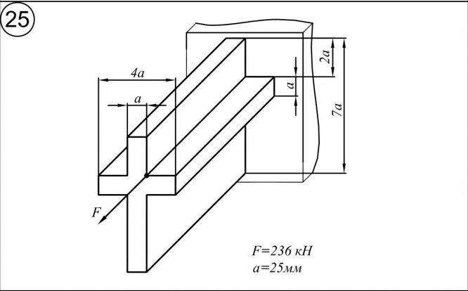
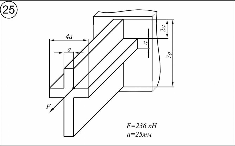
Задача 1:



Файлы условия, демо
Характеристики домашнего задания
Предмет
Учебное заведение
Семестр
Номер задания
Вариант
Теги
Просмотров
183
Размер
5,59 Mb
Список файлов
Задача 1 - 1.jpg
Задача 1 - 2.jpg
Задача 2 - 2.jpg
Задача 2 - 1.jpg
Задача 2 - 2.jpg
Условие.pdf

Друзья, спасибо за доверие! Если вам понравилась работа – поставьте 5⭐ и напишите отзыв. Это поможет другим студентам, а мне даст силы делать ещё больше качественных материалов для вас 🔥