Для студентов МГТУ им. Н.Э.Баумана по предмету Сопротивление материаловСтатически определимые балкиСтатически определимые балки
5,00514
2022-04-272024-09-03СтудИзба
ДЗ 3: Статически определимые балки вариант 19
-55%
Описание
Вариант 19 - ДЗ №4 - Статически определимые балки - Задача 1 + Задача 2
Зачтено на максимальный балл
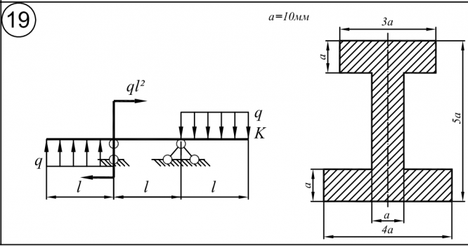
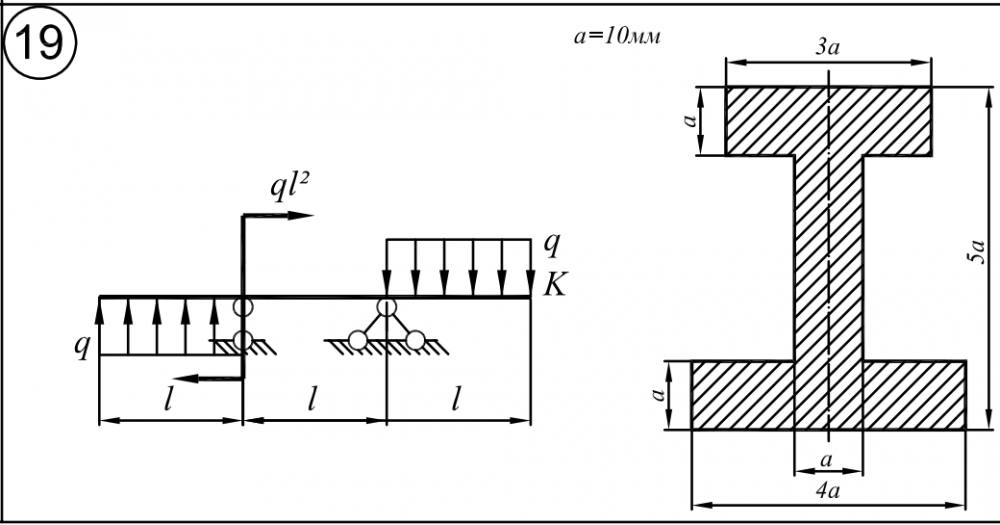
Задача 1
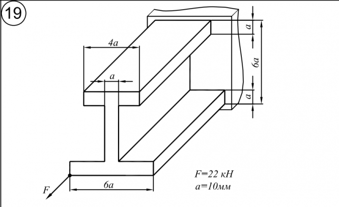
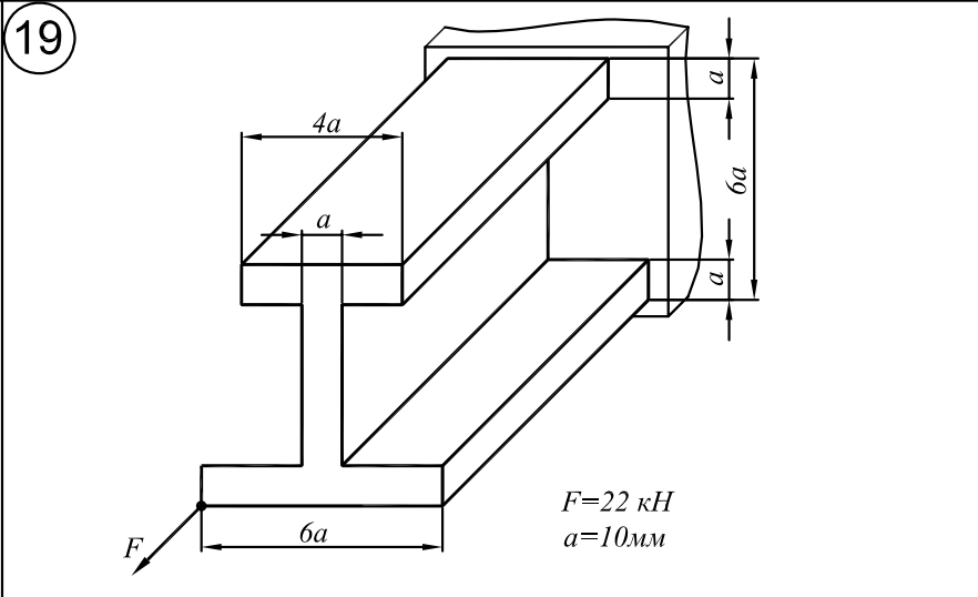
Задача 2
![]()
Зачтено на максимальный балл
Задача 1



Задача 2



Файлы условия, демо
Характеристики домашнего задания
Предмет
Учебное заведение
Семестр
Номер задания
Вариант
Теги
Просмотров
691
Качество
Фото рукописных листов
Размер
5,55 Mb
Список файлов
1.jpg
2.jpg
3.jpg
4.jpg
5.jpg

Друзья, спасибо за доверие! Если вам понравилась работа – поставьте 5⭐ и напишите отзыв. Это поможет другим студентам, а мне даст силы делать ещё больше качественных материалов для вас 🔥