Для студентов МГТУ им. Н.Э.Баумана по предмету Сопротивление материаловСтатически неопределимые задачи изгибаСтатически неопределимые задачи изгиба
5,00591
2022-03-122025-03-28СтудИзба
ДЗ 4: Статически неопределимые задачи изгиба вариант 17
-55%
Описание
Вариант 17 - ДЗ №1 - Статически неопределимые задачи изгиба🔥🔥🔥🔥🔥
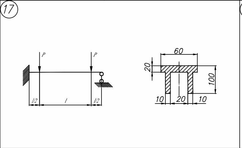
Произвести расчет балки при упругих деформациях
а) Раскрыть статическую неопределимость и построить эпюры Qy и Mx
б) Определить допускаемую нагрузку
в) Примерный вид упругой линии балки
![]()
Зачтено на максимальный балл 😍😍😍😍😍
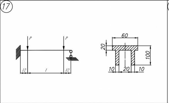
Задача 1Произвести расчет балки при упругих деформациях
а) Раскрыть статическую неопределимость и построить эпюры Qy и Mx
б) Определить допускаемую нагрузку
в) Примерный вид упругой линии балки



Задача 2


Характеристики домашнего задания
Предмет
Учебное заведение
Семестр
Номер задания
Вариант
Просмотров
1240
Качество
Идеальное компьютерное
Размер
356,18 Kb
Список файлов
Вариант 17
17-1.JPG
17-2.JPG
17-3.JPG
17-4.JPG
17.JPG
Задача 1 - Вариант 17.docx
Задача 2 - Вариант 17.docx

Ваше удовлетворение является нашим приоритетом, если вы удовлетворены нами, пожалуйста, оставьте нам 5 ЗВЕЗД и позитивных комментариев. Спасибо большое!. Смотрите файлы в моем профиле, там есть много полезных !
Комментарии

Отзыв
все четко приняли сразу