Для студентов МГТУ им. Н.Э.Баумана по предмету Сопротивление материаловСтатически определимые балкиСтатически определимые балки
5,0057
2022-01-252022-01-25СтудИзба
ДЗ 3: Статически определимые балки вариант 1
Описание
Домашнее задание №4 "Статически определимые балки"(сверяйте по условию ниже)
Принято преподавателем.
В архиве два файла pdf -фото рукописных листов, подчерк понятный.
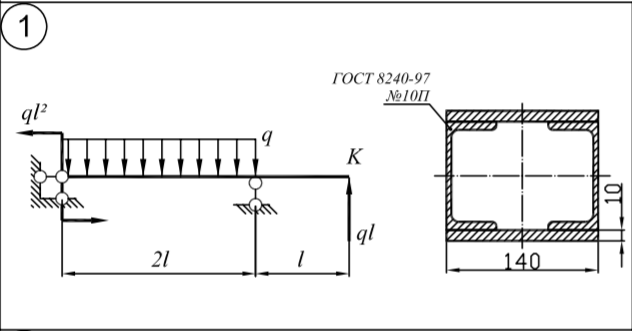
Для первой задачи построены эпюры Qy, Mx, а также изображен истинный вид балки. Угловое перемещение найдено двумя способами (диф. уравнение упругой линии балки + метод Верещагина)
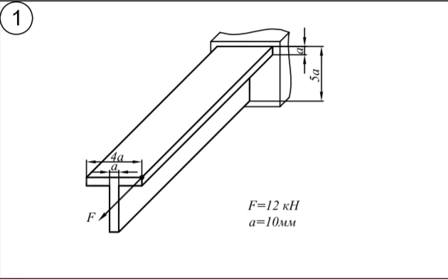
Для второй задачи изображена балка в изометрии с указанными моментами, сечение с центром масс, эпюра напряжений + нейтральная линия.
![]()
Принято преподавателем.
В архиве два файла pdf -фото рукописных листов, подчерк понятный.
Для первой задачи построены эпюры Qy, Mx, а также изображен истинный вид балки. Угловое перемещение найдено двумя способами (диф. уравнение упругой линии балки + метод Верещагина)
Для второй задачи изображена балка в изометрии с указанными моментами, сечение с центром масс, эпюра напряжений + нейтральная линия.


Характеристики домашнего задания
Предмет
Учебное заведение
Семестр
Номер задания
Вариант
Теги
Просмотров
108
Качество
Фото рукописных листов
Размер
4,42 Mb
Список файлов
ДЗ_Задача 1.pdf
ДЗ_Задача 2.pdf
by fenixx