Для студентов МГТУ им. Н.Э.Баумана по предмету Сопротивление материаловРастяжение — сжатие, КручениеРастяжение — сжатие, Кручение
5,0052
2021-05-152024-09-04СтудИзба
Вариант 3 - Растяжение — сжатие, Кручение
ДЗ 2: Растяжение — сжатие, Кручение вариант 3
-25%
Описание
Типовой расчет по сопротивлению материалов №2 "Растяжение-сжатие", задача № 2.1, зачтено
Полный типовой расчет по сопротивлению материалов №1 "Растяжение — сжатие, Кручение", 3 задачи, зачтено
Задача 1:
Задача 2:
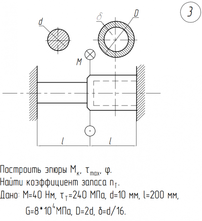
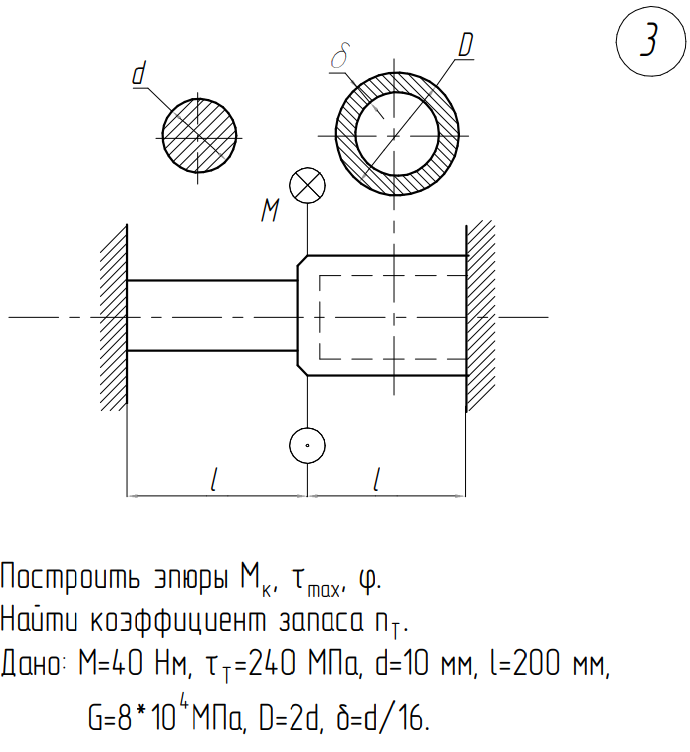
Задача 3:
Показать/скрыть дополнительное описание
Полный типовой расчет по сопротивлению материалов №1 "Растяжение — сжатие, Кручение", 3 задачи, зачтено
Задача 1:






Типовой расчет по сопротивлению материалов МГТУ 3 семестр домашнее задание кручение сжатие растяжение.
Характеристики домашнего задания
Предмет
Учебное заведение
Семестр
Номер задания
Вариант
Теги
Просмотров
183
Качество
Файлы различного качества
Размер
3,58 Mb
Список файлов
Вариант 3 Раст-Сжат 1 12.pdf
Вариант 3 Кручение 16.docx
Вариант 3 Раст-Сжат 2 17.docx

Спасибо за покупку! Я буду очень рад, если поставишь справедливую оценку купленному файлу :3 Ищи больше работ в моём профиле, там много нужного тебе!