Для студентов МГТУ им. Н.Э.Баумана по предмету Сопротивление материаловСтатически определимые балкиСтатически определимые балки
5,0051
2020-12-212020-12-21СтудИзба
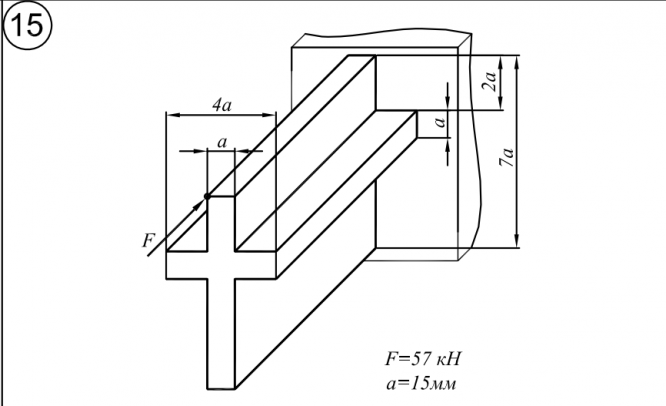
ДЗ 3: Статически определимые балки вариант 15
Описание

Характеристики домашнего задания
Предмет
Учебное заведение
Семестр
Номер задания
Вариант
Теги
Просмотров
76
Размер
3,78 Mb
Список файлов
весь изгиб.pdf
Комментарии
Нет комментариев
Стань первым, кто что-нибудь напишет!
МГТУ им. Н.Э.Баумана
Freebie_bauman
















