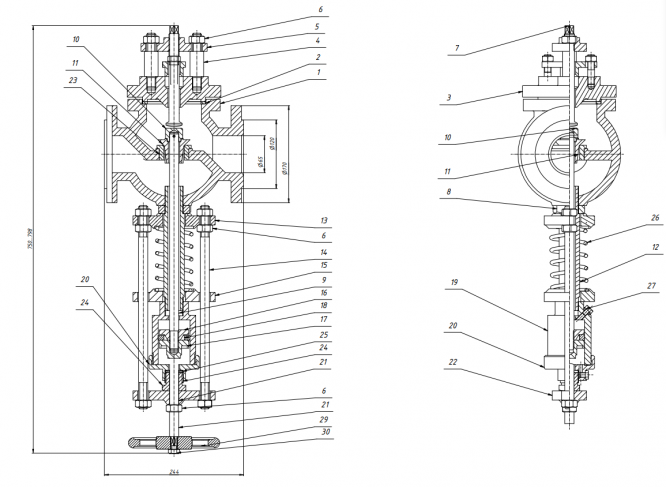
Для студентов МГТУ им. Н.Э.Баумана по предмету Инженерная графикаКлапан редукционный - деталировкаКлапан редукционный - деталировка
5,0055
2021-12-292021-12-29СтудИзба
ДЗ: Клапан редукционный - деталировка
Описание
Качественно выполненная деталировка, в папке присутствует: чертеж редукционного клапана, модели всех необходимых деталей для сборки, модель сборки и бонусом спецификация выполненная в exel !!! ![]()
Характеристики домашнего задания
Предмет
Учебное заведение
Семестр
Просмотров
408
Качество
Идеальное компьютерное
Размер
3,62 Mb
Список файлов
11 головка.ipt
12 клапан.ipt
13 кольцо.ipt
14 Контргайка.ipt
17 крышка(2).ipt
17 крышка.ipt
18 крышка.ipt
21 Прокладка.ipt
22 Прокладка.ipt
23 Прокладка.ipt
24 пружина.ipt
25 Седло.ipt
29 Траверса.ipt
31 Трубка.ipt
32 Шпилька.ipt
33 Шпилька.ipt
34 Шпилька.ipt
36 Шток.ipt
Сборка1.iam
Сборка1.pdf
маховик.ipt
новая спец.xls
МГТУ им. Н.Э.Баумана



















