Для студентов МГТУ им. Н.Э.Баумана по предмету Сопротивление материаловРастяжение — сжатие, КручениеРастяжение — сжатие, Кручение
5,0054
2015-10-272025-10-20СтудИзба
ДЗ 2: Растяжение — сжатие, Кручение вариант 15
-50%
Описание
Нужна только одна задача из всех? - Нажимай на ссылку
![]() | ![]() | ![]() |
Образец ![]()
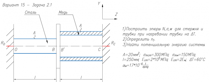
Показать/скрыть дополнительное описание1)Построить эпюры N,σ,w для стержня и трубки при нагревании трубки на ΔT. 2)Определить n/Т. 3)Найти потенциальную энергию системы. A=20мм2/; σ/тст=300МПа; σ/тм=150МПа; l=250мм; E/ст=2*105/МПа; E/ст=2E/м; ΔT=60°С α/м=17*10-6/1/град 1)Определить нагрузку, при которой в стержневой системе возникают первые пластические деформации. 2)Найти напряжения, возникающие в стержнях при найденной нагрузке. l=0,4м; E=2*105/МПа; A=200мм2/; σ/Т=300МПа 1)Из расчета на прочность найти М. 2)Для найденного значения М построить эпюры М/к, τ/max, φ. τ/Т=200МПа; n/Т=2; l=100мм; a=15мм; G=8*104/МПа.
Файлы условия, демо
Характеристики домашнего задания
Предмет
Учебное заведение
Семестр
Номер задания
Вариант
Программы
Теги
Просмотров
1909
Качество
Идеальное компьютерное
Размер
773,31 Kb
Список файлов
Вариант 15 - Задача 2.1.pdf
Вариант 15 - Задача 2.2.pdf
Вариант 15 - Задача 3.pdf
Вариант 15 - Растяжение-сжатие, Кручение.pdf

Вам все понравилось? Получите кэшбэк - 40 рублей на Ваш счёт при покупке. Поставьте оценку и напишите положительный комментарий к купленному файлу. После Вы получите деньги на ваш счет.