Для студентов МГТУ им. Н.Э.Баумана по предмету Сопротивление материаловЗадача 3Задача 3
4,96530022
2023-08-092024-11-23СтудИзба
Задача 3 вариант 15
-40%
Описание


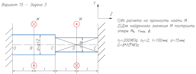
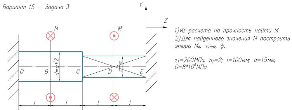
1)Из расчета на прочность найти М. 2)Для найденного значения М построить эпюры М/к, τ/max, φ. τ/Т=200МПа; n/Т=2; l=100мм; a=15мм; G=8*104/МПа.
Характеристики решённой задачи
Предмет
Учебное заведение
Семестр
Номер задания
Вариант
Программы
Теги
Просмотров
18
Качество
Идеальное компьютерное
Размер
239,8 Kb
Список файлов
Вариант 15 - Задача 3.pdf

Вам все понравилось? Получите кэшбэк - 40 рублей на Ваш счёт при покупке. Поставьте оценку и напишите положительный комментарий к купленному файлу. После Вы получите деньги на ваш счет.