Для студентов ИГЭУ им. Ленина по предмету Системы автоматизированного проектирования (САПР)Корпус в сбореКорпус в сборе
5,00570
2025-03-252025-05-10СтудИзба
Курсовая работа 3: Корпус в сборе
Описание
Задание 3
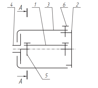
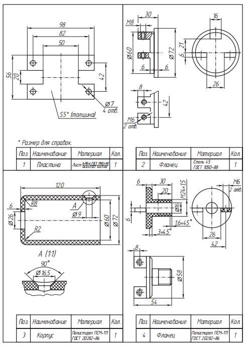
Сборочная единица «Корпус в сборе» содержит четыре детали. Пластина 1 крепится кфланцам 2 и 4 четырьмя винтами 5 (М6×12 ГОСТ 17473–80). Затем эти три детали в сборе выкладываются в корпус 3 и соединяются винтом 6 (М8×10 ГОСТ 17475–80).

Требуется:
1. Выполнить сборочный чертеж узла на листе бумаги формата А3 в масштабе М1:1. Чертеж должен содержать главный вид с разрезом, вид сверху и вид слева с разрезом.2. Составить спецификацию сборочной единицы.

Содержание | |
Введение | 3 |
1. Постановка задачи | 4 |
2. Разработка трехмерных моделей деталей | 6 |
3. Разработка трехмерной модели сборки | 8 |
4. Разработка конструкторской документации | 10 |
Заключение | 12 |
Список литературы | 13 |
Приложение 1 | 14 |
Приложение 2 | 15 |
Введение
Трёхмерное моделирование стало неотъемлемой частью современной инженерной и производственной деятельности, оказывая значительное влияние на разработку различных компонентов механических систем и сокращение времени на создание конструкторской документации. Оно играет ключевую роль в работе инженеров-проектировщиков, конструкторов, прочнистов и других специалистов, участвующих в проектировании и внедрении в производство сложных механических систем. Цель этих усилий – создание новейшего оборудования, которое позволяет автоматизировать производственные процессы.Одним из ведущих инструментов в области трёхмерного моделирования является система автоматизированного проектирования (САПР) "КОМПАС-3D", которая является отечественным продуктом. "КОМПАС-3D" предоставляет широкий спектр возможностей для создания точных и реалистичных моделей, проектирования и анализа различных объектов, что делает его востребованным в таких отраслях, как машиностроение, авиастроение, строительство и других. Программа обладает удобным интерфейсом, позволяет быстро создавать чертежи на основе моделей, а также постоянно обновляется, что обеспечивает её актуальность и популярность среди пользователей.
В рамках данного курсового проекта будут рассмотрены основные принципы трёхмерного моделирования в программном комплексе "КОМПАС-3D".



Файлы условия, демо
Характеристики курсовой работы
Учебное заведение
Семестр
Номер задания
Программы
Теги
Просмотров
15
Качество
Идеальное компьютерное
Размер
1,41 Mb
Преподаватели
Список файлов
Новая папка (4)
2 фланец.m3d
Задание 3.pdf
Корпус.m3d
Курсовой проект отчет.docx
Пластина.m3d
Спецификация (4).spw
Чертёж сборки последний (4).cdw
фланец 4.m3d

🎓Помощь студентам Ивановских ВУЗов🎓 ❤️ Каждая приобретенная работа служит стимулом для добавления новых материалов и упрощает учебный процесс.