Для студентов ИГЭУ им. Ленина по предмету Системы автоматизированного проектирования (САПР)Корпус в сбореКорпус в сборе
5,00598
2025-05-10СтудИзба

Курсовая работа 11: Корпус в сборе

Описание

Задание 11

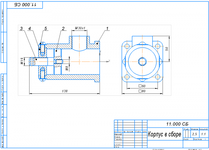
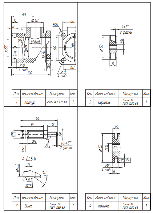
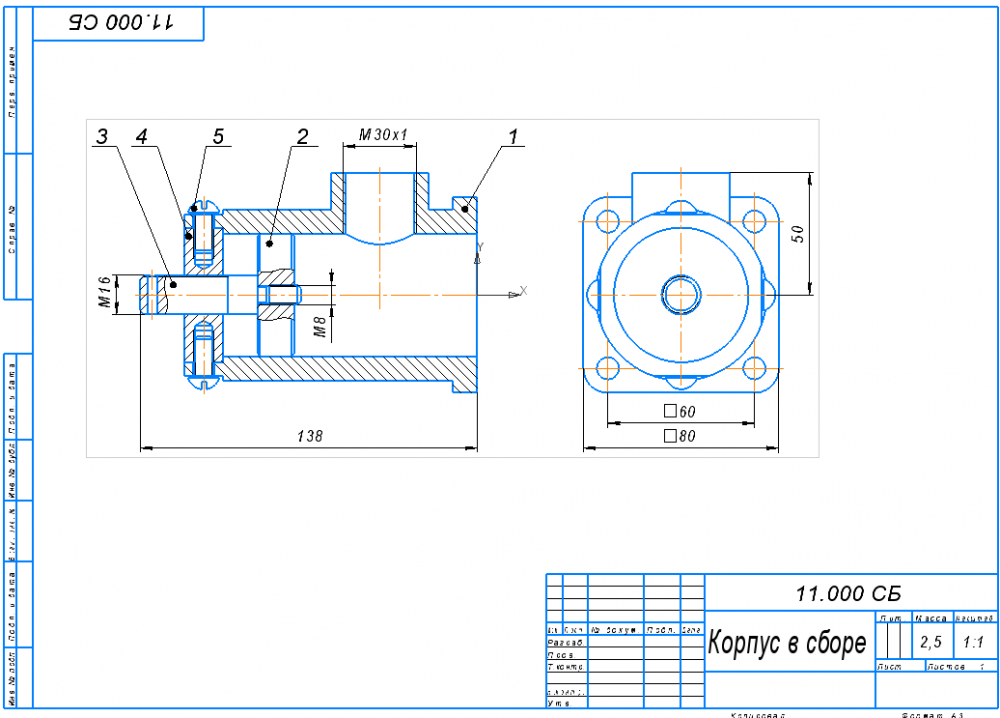
Сборочная единица «Корпус в сборе» содержит четыре детали. На винт 3 навинчивается справа крышка 4 до конца резьбы. Слева на винт навинчивается поршень 2 до упора. Затем эти три соединенные детали устанавливаются в корпусе 1 и крышка 4 соединяется с корпусом четырьмя винтами 5 (М8×16 ГОСТ 17473–80).

Требуется

1. Выполнить сборочный чертеж узла на листе бумаги формата А3 в масштабе М1:1. Чертеж должен содержать главный вид с разрезом (см. чертеж корпуса) и вид слева.
2. Составить спецификацию сборочной единицы.

Содержание

Введение3
1. Постановка задачи4
2. Разработка трехмерных моделей деталей6
3. Разработка трехмерной модели сборки8
4. Разработка конструкторской документации10
Заключение12
Список литературы13
Приложение 114
Приложение 215

Введение

Системы автоматизированного проектирования (САПР) играют важную роль в современной инженерной и производственной деятельности. Одной из ключевых областей их применения является трехмерное моделирование, которое позволяет создавать точные и реалистичные модели объектов и конструкций. Трехмерное моделирование играет важную роль в различных отраслях механики, таких как машиностроение, авиастроение, строительство и др.
Одним из самых популярных инструментов в этой области является система автоматизированного проектирования (САПР) "КОМПАС-3D", разработанная российской компанией ASCON. Эта программа предоставляет широкий спектр возможностей для создания трехмерных моделей, проектирования и анализа различных объектов, что делает ее востребованной в инженерной отрасли. В рамках данного курсового проекта будут рассмотрены основные принципы трехмерного моделирования, в программном комплексе КОМПАС-3D.


Файлы условия, демо

Характеристики курсовой работы

Учебное заведение
Семестр
Номер задания
Просмотров
41
Качество
Идеальное компьютерное
Размер
1,41 Mb

Преподаватели

Список файлов

САПР Задание 11
z11
01 Корпус.cdw
01 Корпус.m3d
02 Поршень.cdw
02 Поршень.m3d
03 Винт.cdw
03 Винт.m3d
04 Крышка.cdw
04 Крышка.m3d
Корпус в сборе _ 11.000 спец.cdw
Корпус в сборе.a3d
Корпус в сборе.cdw
Задание 11.pdf
САПР отчет по заданию 11.docx
Картинка-подпись
🎓Помощь студентам Ивановских ВУЗов🎓 ❤️ Каждая приобретенная работа служит стимулом для добавления новых материалов и упрощает учебный процесс.

Комментарии

Нет комментариев
Стань первым, кто что-нибудь напишет!
Поделитесь ссылкой:
Цена: 590 руб.
Расширенная гарантия +3 недели гарантии, +10% цены
Рейтинг автора
5 из 5
Поделитесь ссылкой:
Сопутствующие материалы

Подобрали для Вас услуги

Вы можете использовать курсовую работу для примера, а также можете ссылаться на неё в своей работе. Авторство принадлежит автору работы, поэтому запрещено копировать текст из этой работы для любой публикации, в том числе в свою курсовую работу в учебном заведении, без правильно оформленной ссылки. Читайте как правильно публиковать ссылки в своей работе.
Свежие статьи
Популярно сейчас
Почему делать на заказ в разы дороже, чем купить готовую учебную работу на СтудИзбе? Наши учебные работы продаются каждый год, тогда как большинство заказов выполняются с нуля. Найдите подходящий учебный материал на СтудИзбе!
Ответы на популярные вопросы
Да! Наши авторы собирают и выкладывают те работы, которые сдаются в Вашем учебном заведении ежегодно и уже проверены преподавателями.
Да! У нас любой человек может выложить любую учебную работу и зарабатывать на её продажах! Но каждый учебный материал публикуется только после тщательной проверки администрацией.
Вернём деньги! А если быть более точными, то автору даётся немного времени на исправление, а если не исправит или выйдет время, то вернём деньги в полном объёме!
Да! На равне с готовыми студенческими работами у нас продаются услуги. Цены на услуги видны сразу, то есть Вам нужно только указать параметры и сразу можно оплачивать.
Отзывы студентов
Ставлю 10/10
Все нравится, очень удобный сайт, помогает в учебе. Кроме этого, можно заработать самому, выставляя готовые учебные материалы на продажу здесь. Рейтинги и отзывы на преподавателей очень помогают сориентироваться в начале нового семестра. Спасибо за такую функцию. Ставлю максимальную оценку.
Лучшая платформа для успешной сдачи сессии
Познакомился со СтудИзбой благодаря своему другу, очень нравится интерфейс, количество доступных файлов, цена, в общем, все прекрасно. Даже сам продаю какие-то свои работы.
Студизба ван лав ❤
Очень офигенный сайт для студентов. Много полезных учебных материалов. Пользуюсь студизбой с октября 2021 года. Серьёзных нареканий нет. Хотелось бы, что бы ввели подписочную модель и сделали материалы дешевле 300 рублей в рамках подписки бесплатными.
Отличный сайт
Лично меня всё устраивает - и покупка, и продажа; и цены, и возможность предпросмотра куска файла, и обилие бесплатных файлов (в подборках по авторам, читай, ВУЗам и факультетам). Есть определённые баги, но всё решаемо, да и администраторы реагируют в течение суток.
Маленький отзыв о большом помощнике!
Студизба спасает в те моменты, когда сроки горят, а работ накопилось достаточно. Довольно удобный сайт с простой навигацией и огромным количеством материалов.
Студ. Изба как крупнейший сборник работ для студентов
Тут дофига бывает всего полезного. Печально, что бывают предметы по которым даже одного бесплатного решения нет, но это скорее вопрос к студентам. В остальном всё здорово.
Спасательный островок
Если уже не успеваешь разобраться или застрял на каком-то задание поможет тебе быстро и недорого решить твою проблему.
Всё и так отлично
Всё очень удобно. Особенно круто, что есть система бонусов и можно выводить остатки денег. Очень много качественных бесплатных файлов.
Отзыв о системе "Студизба"
Отличная платформа для распространения работ, востребованных студентами. Хорошо налаженная и качественная работа сайта, огромная база заданий и аудитория.
Отличный помощник
Отличный сайт с кучей полезных файлов, позволяющий найти много методичек / учебников / отзывов о вузах и преподователях.
Отлично помогает студентам в любой момент для решения трудных и незамедлительных задач
Хотелось бы больше конкретной информации о преподавателях. А так в принципе хороший сайт, всегда им пользуюсь и ни разу не было желания прекратить. Хороший сайт для помощи студентам, удобный и приятный интерфейс. Из недостатков можно выделить только отсутствия небольшого количества файлов.
Спасибо за шикарный сайт
Великолепный сайт на котором студент за не большие деньги может найти помощь с дз, проектами курсовыми, лабораторными, а также узнать отзывы на преподавателей и бесплатно скачать пособия.
Популярные преподаватели
Добавляйте материалы
и зарабатывайте!
Продажи идут автоматически
6869
Авторов
на СтудИзбе
271
Средний доход
с одного платного файла
Обучение Подробнее
{user_main_secret_data}