Для студентов ИГЭУ им. Ленина по предмету Системы автоматизированного проектирования (САПР)Основание в сбореОснование в сборе
5,00569
2025-04-192025-05-10СтудИзба
Курсовая работа 9: Основание в сборе
Описание
Задание 9
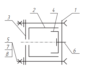
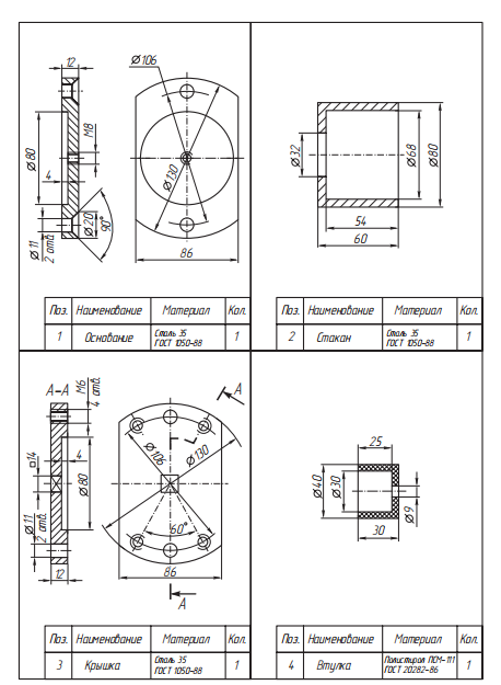
Сборочная единица «Основание в сборе» содержит четыре детали. Втулка 4 крепится к основанию 1 винтом 6 (М8×12 ГОСТ 17473–80). Стакан 2 устанавливается в цилиндрические проточки основания и крышки 3 и закрепляется двумя стягивающими винтами 5 (М10×90 ГОСТ 17475–80), гайками 7 (М10 ГОСТ 5916–70, низкая, Н = 6) и шайбами 8 (10 ГОСТ 11371–80).
Требуется
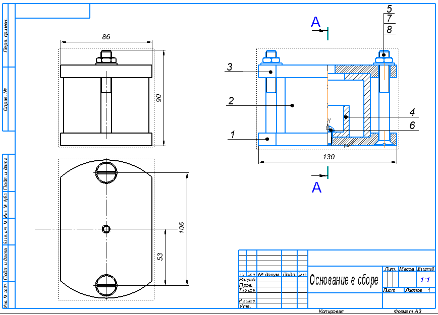
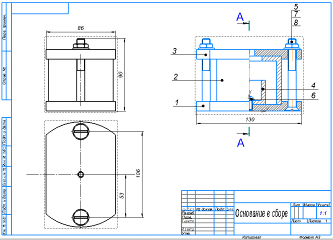
1. Выполнить сборочный чертеж узла на листе бумаги формата А3в масштабе М1:1. Чертеж должен содержать главный вид с разрезом и вид слева.
2. Составить спецификацию сборочной единицы.

СОДЕРЖАНИЕ | ||
| Введение | 3 |
1 | Постановка задачи | 3 |
2 | Разработка трехмерных моделей деталей | 5 |
3 | Разработка трехмерной модели сборки | 8 |
4 | Разработка конструкторской документации | 10 |
| Заключение | 11 |
| Список литературы | 11 |
| Приложение 1 | 12 |
| Приложение 2 | 13 |
ВВЕДЕНИЕ
В настоящее время, для упрощения создания различных компонентов механических систем и сокращения времени разработки конструкторской документации используется трёхмерное моделирование.
Трёхмерное моделирование играет одну из ключевых ролей в работе инженеров проектировщиков, конструкторов, прочнистов и многих других специалистов, работающих в технологической сфере, а именно, ведётся разработка и внедрение в производство различных частей сложных механических систем, с целью введения в эксплуатацию новейшего оборудования, позволяющего автоматизировать производственный процесс.
В настоящее время, одним из составляющих трёхмерного моделирования является программный комплекс под названием "Компас 3D", который является отечественным продуктом систем автоматического проектирования. В этом программном комплексе существуют различные возможности для создания 3D моделей сложных механических конструкций и многих других технологических составляющих.



Файлы условия, демо
Характеристики курсовой работы
Учебное заведение
Семестр
Номер задания
Программы
Теги
Просмотров
15
Качество
Идеальное компьютерное
Размер
62,24 Kb
Преподаватели
Список файлов
Задание 9.pdf

🎓Помощь студентам Ивановских ВУЗов🎓 ❤️ Каждая приобретенная работа служит стимулом для добавления новых материалов и упрощает учебный процесс.