Для студентов МГТУ им. Н.Э.Баумана по предмету СхемотехникаРазработка цифрового устройства передачи кода словаРазработка цифрового устройства передачи кода слова
5,0053
2021-04-282024-09-03СтудИзба
ДЗ: Разработка цифрового устройства передачи кода слова
-66%
Описание
Задание____
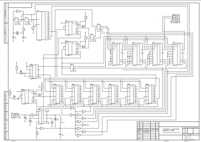
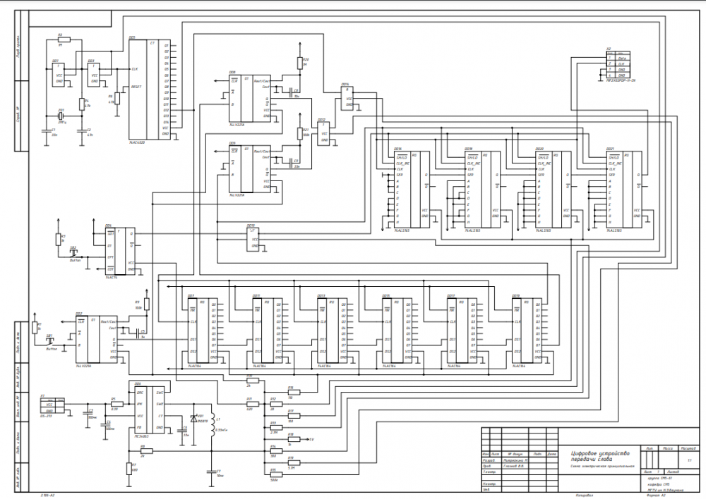
Разработать цифровое устройство обеспечивающее выполнение следующих функций: формирование кодовых комбинаций в соответствии с индивидуальным заданием, формирование служебных команд и их передача начинается с определенной временной задержкой после нажатия на кнопку «Пуск», после выдачи указанной совокупности дискретных сигналов с определенной скоростью или после нажатия на кнопку «Стоп» в любой момент времени ЦУ должно перейти в исходное состояние. Разработать импульсный преобразователь напряжения для питания всех элементов ЦУ.___
ВВЕДЕНИЕ
Цель работы: разработать принципиальную схему цифрового устройства (ЦУ) и рассчитать его параметры. Цифровое устройство (ЦУ) должно обеспечить выполнение следующих функций: 1) формирование кодовых комбинаций в определенной последовательности в соответствии с индивидуальным заданием каждому студенту (Приложение А) для последующей передачи их по каналу связи. В качестве кодовых комбинаций приведены шестибуквенные слова, которые интерпретируются как служебная команда или пароль; 2) формирование служебных команд и их передача по каналу связи начинается с определенной временной задержкой (tзд) после нажатия на кнопку «Пуск»; 3) после формирования и выдачи указанной совокупности дискретных сигналов с определенной скоростью или нажатия на кнопку «Стоп» в любой момент времени ЦУ должно перейти в исходное состояние. Также устройство должно содержать импульсный преобразователь напряжения на основе микросхемы MC34063 (или ее аналога) для питания всех элементов ЦУ. Задачи работы: 1. Обосновать и разработать функциональную схему ЦУ. 2. Разработать принципиальные схемы функциональных частей ЦУ и схемы преобразования напряжения питания. 3. Рассчитать потребляемую мощность. 4. Провести моделирование основных узлов схемы в пакете MicroCap. 5. Оформить пояснительную записку, необходимые схемы и чертежи в соответствии с требованиями стандартов и ЕСКД.
Разработать цифровое устройство обеспечивающее выполнение следующих функций: формирование кодовых комбинаций в соответствии с индивидуальным заданием, формирование служебных команд и их передача начинается с определенной временной задержкой после нажатия на кнопку «Пуск», после выдачи указанной совокупности дискретных сигналов с определенной скоростью или после нажатия на кнопку «Стоп» в любой момент времени ЦУ должно перейти в исходное состояние. Разработать импульсный преобразователь напряжения для питания всех элементов ЦУ.___
ВВЕДЕНИЕ
Цель работы: разработать принципиальную схему цифрового устройства (ЦУ) и рассчитать его параметры. Цифровое устройство (ЦУ) должно обеспечить выполнение следующих функций: 1) формирование кодовых комбинаций в определенной последовательности в соответствии с индивидуальным заданием каждому студенту (Приложение А) для последующей передачи их по каналу связи. В качестве кодовых комбинаций приведены шестибуквенные слова, которые интерпретируются как служебная команда или пароль; 2) формирование служебных команд и их передача по каналу связи начинается с определенной временной задержкой (tзд) после нажатия на кнопку «Пуск»; 3) после формирования и выдачи указанной совокупности дискретных сигналов с определенной скоростью или нажатия на кнопку «Стоп» в любой момент времени ЦУ должно перейти в исходное состояние. Также устройство должно содержать импульсный преобразователь напряжения на основе микросхемы MC34063 (или ее аналога) для питания всех элементов ЦУ. Задачи работы: 1. Обосновать и разработать функциональную схему ЦУ. 2. Разработать принципиальные схемы функциональных частей ЦУ и схемы преобразования напряжения питания. 3. Рассчитать потребляемую мощность. 4. Провести моделирование основных узлов схемы в пакете MicroCap. 5. Оформить пояснительную записку, необходимые схемы и чертежи в соответствии с требованиями стандартов и ЕСКД.





Файлы условия, демо
Характеристики домашнего задания
Предмет
Учебное заведение
Семестр
Просмотров
50
Размер
1,86 Mb
Список файлов
Разработка цифрового устройства передачи кода слова
1.PNG
Capture.PNG
Плакат_Модуляция общей схемы.pdf
Плакат_Модуляция схемы питания.pdf
РПЗ.pdf
Схема электрическая принципиальная.pdf
Схема электрическая функцианальная.pdf

Друзья, спасибо за доверие! Если вам понравилась работа – поставьте 5⭐ и напишите отзыв. Это поможет другим студентам, а мне даст силы делать ещё больше качественных материалов для вас 🔥