Для студентов НГТУ по предмету СхемотехникаРасчет и проектирование импульсного усилителяРасчет и проектирование импульсного усилителя
4,96529431
2022-08-022022-08-02СтудИзба
Курсовая работа: Расчет и проектирование импульсного усилителя вариант 40
Описание
Расчет и проектирование импульсного усилителя
Содержание
- Содержание. 3
- 1. Задание на проектирование. 4
- Введение. 6
- 2. Расчет выходного каскада. 7
- 2.1 Выбор транзистора в выходном каскаде. 7
- 2.2 Характеристики выбранного транзистора. 8
- 2.3 Выбор рабочей точки и определение параметров транзистора. 9
- 2.4 Построение нагрузочной прямой по постоянному и переменному току. 10
- 2.5 Определение g-параметров в рабочей точке. 10
- 2.6 Расчет элементов стабилизации выходного каскада. 12
- 2.7 Определение низкочастотных и высокочастотных параметров транзистора выходного каскада в средней точке. 13
- 2.8 Определение коэффициента усиления и времени установления выходного каскада. 15
- 2.9 Расчет входного сопротивления и входной емкости выходного каскада. 18
- 3. Расчет каскадов предварительного усиления. 19
- 3.1 Выбор транзистора для предварительных каскадов. 19
- 3.2 Характеристики выбранного транзистора. 20
- 3.3 Выбор режима работы транзистора в предвыходном каскаде. 20
- 4. Определение числа предварительных каскадов. 22
- 5. Расчет предвыходного каскада. 23
- 5.1 Расчет элементов стабилизации предварительных каскадов. 24
- 5.2 Определение коэффициента усиления и времени установления предвыходного каскада. 26
- 5.3 Расчет входного сопротивления и входной емкости предвыходного каскада. 28
- 6. Расчет первого предварительного каскада: 29
- 6.1 Расчет элементов стабилизации первого предварительного каскада. 29
- 6.2 Определение коэффициента усиления и времени установления первого предварительного каскада. 30
- 6.3 Расчет входного сопротивления и входной емкости первого предварительного каскада. 32
- Примечание: здесь схема рассчитана с использованием низкочастотной коррекции, сам расчет будет проделан позже при оценке спада плоской вершины усилителя. 33
- 7. Расчет второго предварительного каскада: 34
- 7.1 Расчет элементов стабилизации второго предварительного каскада. 34
- 7.2 Определение коэффициента усиления и времени установления второго предварительного каскада. 35
- 7.3 Расчет входного сопротивления и входной емкости второго предварительного каскада. 37
- 8. Расчет входного каскада. 39
- 8.1 Выбор транзистора входного каскада. 39
- 8.2 Характеристики выбранного транзистора. 40
- 8.3 Выбор режима работы транзистора во входном каскаде. 40
- 8.5 Определение коэффициента усиления и времени установления входного каскада. 41
- 9. Заключение. 43
- 10. Расчет вспомогательных цепей. 44
- 10.1 Определение величины плоской вершины спада. 44
- 11. Расчет мощностей, рассеиваемых на резисторах, и напряжений, действующих на конденсаторах. 46
- Список литературы: 50
1. Задание на проектирование
Таблица 1. Техническое задание
Амплитуда выходного сиганала ,В | 5 |
Амплитуда входного сигнала ,мВ | 1 |
Длительность импульса , мкс | 40 |
Частота следования импульсов ,кГц | 1 |
Время установления ,мкс | 0.2 |
Спад плоской вершины ,% | 10 |
Температура окружающей среды ,°С | 0…65 |
Входное сопротивление усилителя Rвх , кОм | >10 |
Полярность импульсов: входного сигнала Пвх выходного сигнала Пвых | − + |
Тип нагрузки Rн ,Ом | активная 25 |
Введение
Расчет импульсного усилителя предполагает множество решений. В данной работе нам необходимо найти наиболее оптимальный вариант решения. Сам расчет начинается с выходного каскада, зная амплитуду выходного сигнала, величину и характер внешней нагрузки выбирают соответствующий транзистор. Производиться полный расчет выходного каскада и по найденным значениям коэффициента передачи и времени установления принимается решение для введения коррекции каскада, если эти значения не соответствуют ожидаемым.Затем выбирается транзистор для каскадов предварительного усиления. Определяется их количество исходя из заданной полярности входа и выхода всего усилителя, коэффициента усиления входного и времени установления входного и предварительного каскадов. После определения количества этих каскадов выполняется их расчет. По результатам расчета принимается решение о коррекции каскадов, в последнюю очередь выполняется расчет входной цепи.
В конце работы необходимо сравнить рассчитанные параметры с требуемыми данными в задании, и в случае не соответствия выполнить корректировку в нужном каскаде или воспроизвести весь расчет заново.
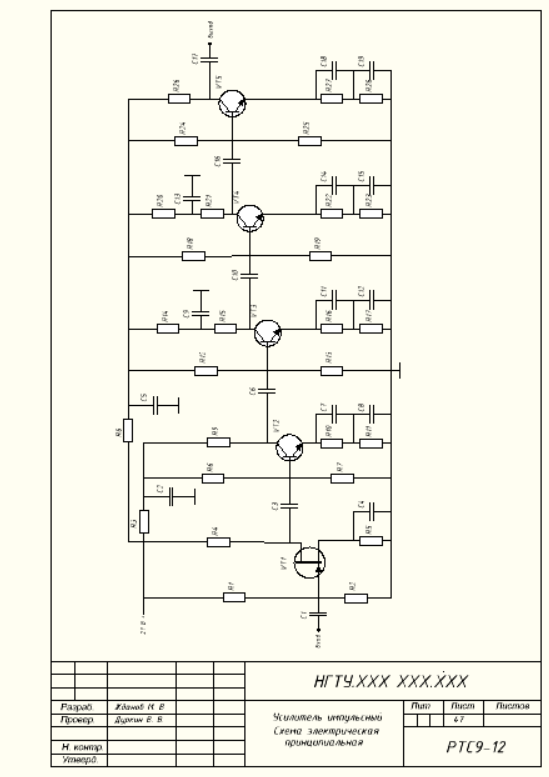
Схема электрическая принципиальная
Перечень элементов вошедших в принципиальную схему ![]()
Характеристики курсовой работы
Предмет
Учебное заведение
Семестр
Вариант
Программы
Просмотров
9
Качество
Идеальное компьютерное
Размер
3,79 Mb
Список файлов
КП - Вариант 40 - Расчет и проектирование импульсного усилителя
sPlan.exe
КП - Вариант 40 - Проектирование импульсного усилителя.doc
Маткад.xmcd
Схема.spl7
Титульный лист.doc

Вам все понравилось? Получите кэшбэк - 40 рублей на Ваш счёт при покупке. Поставьте оценку и напишите положительный комментарий к купленному файлу. После Вы получите деньги на ваш счет.