Для студентов НГТУ по предмету СхемотехникаРасчет и проектирование импульсного усилителяРасчет и проектирование импульсного усилителя
4,96529477
2022-08-022022-08-02СтудИзба
Курсовая работа: Расчет и проектирование импульсного усилителя вариант 24
Описание
Расчет и проектирование импульсного усилителя
Содержание пояснительной записки
- Введение……………………………………………………………….…………………………………………….…3
- Задание на проектирование…….………………….…………………………..........................................4
- Расчет выходного каскада……………………………..…………………………………………………......6
- .Выбор транзистора в выходном каскаде…………….……..…………………...…………………..6
- .Выбор режима работы выходного каскада по постоянному и переменному току..8
- .Расчет выходного каскада по постоянному и переменному току, включающий расчет элементов задания и стабилизации режима..…………………….………………….……......10
- .Определение низкочастотных и высокочастотных параметров транзистора выходного каскада в средней точке…….…………………………………………….…………………………....16
- .Расчет коэффициента усиления и времени установления выходного каскада.…..18
- .Окончательный расчет выходного каскада с учетом введенных цепей обратной связи или коррекции…………………………………….…….…………………………….…………………………….19
- .Определение входного сопротивления и входной емкости выходного каскада…...23
- Расчет предварительных каскадов………..…………………………………….………………..………….24
- .Выбор транзистора для предварительных каскадов..……………….…………………......….24
- .Выбор режима работы транзисторов в каскадах предварительного усиления…26
- .Определение параметров транзистора в рабочей точке…….……………………………....28
- .Определение количества предварительных каскадов …………..…………………..………….29
- Расчет первого предварительного каскада по постоянному и переменному току…………………………………………………………………………………………………………….…………………....30
- .Расчет элементов стабилизации первого предварительного каскада ……………….30
- .Расчет времени установления первого предварительного каскада…………………….35
- .Определение входного сопротивления и входной емкости первого предварительного каскада……………….………………………………………………………………………….…39
- Расчет второго предварительного каскада по постоянному и переменному току……..............................................................................................................................................................40
- .Расчет элементов стабилизации второго предварительного каскада…………...…40
- .Расчет времени установления второго предварительного каскада………...........…..41
- .Определение входного сопротивления и входной емкости второго предварительного каскада……………………………………………..……………………………………….……...42
- Расчет входного каскада………………………………………………………………………….…………………..43
- .Выбор транзистора для входного каскада…………………………………………………………..43
- .Выбор режима работы транзистора.……………………………………………………………………44
- Расчет элементов стабилизации, времени установления, входного сопротивления и входной емкости входного каскада……………………………………………….....45
- Расчет вспомогательных цепей…………………………………………………………………..............48
- Определение суммарных показателей рассчитываемого усилителя…………………51
- Расчет мощностей, рассеиваемых на резисторах, напряжений, действующих на конденсаторах, и токов протекающих через катушки индуктивности…………………………………………………………………………………………………….……52
Приложение 2……………………………………………………………………………………………….….54
Список использованной литературы……………………………………………………………..55
1. Введение
Курсовое проектирование по дисциплине «Схемотехника аналоговых электронных устройств » заключается в разработке и полном расчете электрической схемы усилителя импульсных сигналов с последующим моделированием разработанной схемы в программе схемотехнического моделирования MicroCap. Задание на проектирование предполагает реализацию всего усилителя на дискретных биполярных и полевых транзисторах. Выполнение курсового проекта преследует следующие цели.- Ознакомление с основными характеристиками биполярных и полевых транзисторов.
- Ознакомление с основными схемотехническими решениями, используемыми в усилительных каскадах на биполярных и полевых транзисторах.
- Приобретение навыков расчета усилительных каскадов на биполярных и полевых транзисторах (выбор и обеспечение режима работы усилительного элемента по постоянному и переменному току, выбор и расчет схем высокочастотной и низкочастотной коррекции усилительных каскадов, расчет вспомогательных цепей).
- Приобретение навыков оформления технической документации на радиоэлектронное устройство.
- Приобретение навыков компьютерного моделирования аналоговых электронных устройств в современных программах схемотехнического моделирования.
Задание на проектирование
Таблица 1. Технические характеристики разрабатываемого усилителя.Наименование параметра | Обозначение | Величина |
Амплитудаимпульса напряжения на нагрузке | U2m, [В] | 55 |
Амплитуда импульса напряжения на входе усилителя | U1m, [мВ] | 15 |
Длительность импульса | tu, [мкс] | 6 |
Время установления | tу, [мкс] | ≤0,3 |
Частота повторения импульсов | F, [кГц] | 2.6 |
Спад плоской вершиныимпульса | D,[%] | ≤2.5 |
Температура окружающей среды: | tс. max, [ ] tс. min, [ ] | +45 -10 |
Выброс переходной характеристики | d,[%] | ≤3.5 |
Входное сопротивление усилителя | Rвх, [кОм] | ≥15 |
Тип нагрузки – активная | RН, [кОм] | 1.2 |
- Выбор схемы выходного каскада в зависимости от типа и параметров нагрузки. Как правило, выбор производится между одиночным каскадом, выполненным по схеме с ОЭ, и тандемом эмиттерного повторителя с каскадом, выполненным по схеме с ОЭ.
- Выбор транзистора выходного каскада по граничной частоте, максимальному напряжению коллектор-эмиттер и максимальному току.
- Выбор режима работы транзистора выходного каскада по постоянному току и расчет элементов, обеспечивающих стабилизацию этого режима.
- Определение низкочастотных () и высокочастотных ( параметров транзистора выходного каскада в средней точке, соответствующей половине импульса коллекторного тока.
- Расчет выходного каскада по переменному току, включающий расчет коэффициентов усиления и времени установления.
- Решение вопроса о необходимости введения в каскад частотно независимой отрицательной обратной связи.
- Решение вопроса о необходимости применения эмиттерной или параллельной высокочастотной коррекции выходного каскада.
- Окончательный расчет выходного каскада по переменному току с учетом введенных цепей обратной связи и коррекции.
- Определение выходного сопротивления и входной емкости выходного каскада, т.е. определение параметров нагрузки, на которую будет работать предвыходной каскад.
- Выбор транзисторов для каскадов предварительного усиления по граничной частоте, максимальному напряжению коллектор-эмиттер и максимальному току коллектора.
- Выбор режима работы транзисторов в каскадах предварительного усиления.
- Определение высокочастотных и низкочастотных параметров транзисторов предвыходных каскадов в рабочей точке.
- Определение количества каскадов предварительного усиления.
- Полный электрический расчет каскадов предварительного усиления по постоянному и переменному току, аналогичный расчету выходного каскада.
- Выбор схемы входного каскада в зависимости от требуемого входного сопротивления усилителя. Как правило, выбор производится между каскадом с ОЭ, эмиттерным повторителем и каскадом на полевом транзисторе.
- Расчет вспомогательных цепей: фильтры питания, разделительные и блокировочные конденсаторы.
- Принятие решения о необходимости применения низкочастотной коррекции всех или части каскадов усиления.
- Определение суммарных параметров усилителя (с учетом всех обратных связей и цепей коррекции) и сравнение их с техническим заданием.
- В случае несоответствия параметров рассчитанного усилителя техническому заданию принимается решение о необходимости изменения схемы усилителя или параметров его каскадов. Производится возврат на соответствующий этап расчета.
- Расчет мощностей, рассеиваемых на резисторах, напряжений, действующих на конденсаторах, и токов, протекающих через катушки индуктивности. Выбор типов этих элементов.
- Компьютерное моделирование разработанной схемы усилителя.
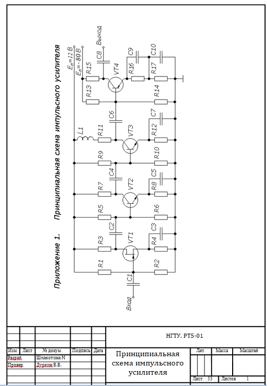
Принципиальная схема импульсного усилителя ![]()
Перечень элементов принципиальной схемы ![]()
Характеристики курсовой работы
Предмет
Учебное заведение
Семестр
Вариант
Программы
Просмотров
9
Качество
Идеальное компьютерное
Размер
2,94 Mb
Список файлов
КП - Вариант №24 - Расчет и проектирование импульсного усилителя.docx
Маткад.xmcd
Перечень элементов принципиальной схемы.docx

Вам все понравилось? Получите кэшбэк - 40 рублей на Ваш счёт при покупке. Поставьте оценку и напишите положительный комментарий к купленному файлу. После Вы получите деньги на ваш счет.