Курсовая работа: Выверка редуктора 6Ц2-5ES-6,3-21-C-Ц-У по осям и высоте. Расчет фундаментных болтов
Описание
СОДЕРЖАНИЕ
1. Краткое описание выверяемого агрегата................................................... 4
2. Способ установки редуктора...................................................................... 53. Определение опрокидывающего момента и нагрузок, действующих на редуктор....................................................................................................... 6
4. Расчет фундаментных болтов...................................................................... 7
5. Определение размеровподкладок.............................................................. 10
6. Применяемые инструменты и приборы..................................................... 12
7. Установка редуктора в проектное положение............................................ 12
Список использованных источников............................................................ 14
ВВЕДЕНИЕ
Для обеспечения корректной работы оборудования большое значение имеют правильный монтаж, своевременный уход и техническое обслуживание в процессе эксплуатации, правильная организация и технология ремонта.
В данном курсовом проекте будет рассмотрена выверка одноступенчатого цилиндрического редуктора 6Ц2 по осям и высоте, принцип работы которого основан на цилиндрических зубчатых передачах. Данный механизм применяется в приводах технологических машин для повышения крутящего момента.
Цель работы: рассчитать площадь и количество подкладок, необходимых для выверки редуктора, диаметр и длину фундаментных болтов, подготовить схему выверки базовой детали по осям и высоте.
КРАТКОЕ ОПИСАНИЕ ВЫВЕРЯЕМОГО АГРЕГАТА
Редуктор 6Ц2-5ES-6,3-21-C-Ц-У [3; стр. 93] состоит из литого чугунного корпуса, в котором размещены подвижные элементы: зубчатое колесо, шестерня, подшипники, валы.

Рисунок 1. Схема редуктора

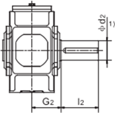
Рисунок 2. Схема исполнения выходного цилиндрического вала

Рисунок 3. Схема кинематического исполнения редуктора
Тип редуктора – 6Ц2 Габарит – 5
Передаточное отношение – 6,3
Частота вращения входного вала – 1500 об/мин Нагрузка – Статическая
Вид болтов (ГОСТ) – Тип 2 Исполнение 1
Вид установки на фундамент – На пакеты подкладок Способ выверки – Инструментальный
Выверка по осям – Струна Ось – Поперек
Выверка по высоте – Пузырьковый уровень Высотная отметка на рабочем репере – +18
УрФУ им. Ельцина
all_at_700
















