Для студентов по предмету Релейная защитаОсновная и резервная релейная защита трансформатора подстанции 220/10кВОсновная и резервная релейная защита трансформатора подстанции 220/10кВ
5,0053173
2025-04-142025-04-14СтудИзба
Курсовая работа: Основная и резервная релейная защита трансформатора подстанции 220/10кВ
Описание
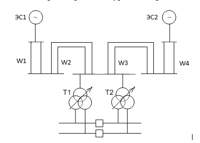
В соответствии с заданием выдана структурная схема объекта и необходимые данные для проектирования курсового проекта
Uвн=220кВ;
Uнн=10кВ;
Р10=39МВт;
Cos=0,87
L1=61км;
L2=123км;
L3=67км;
L4= 99км;
Iкз max 1=30,6кА;
Iкз min 1=18,4кА;
Iкз max 2=27,2кА;
Iкз min 2=16,3кА;
Содержание

Uнн=10кВ;
Р10=39МВт;
Cos=0,87
L1=61км;
L2=123км;
L3=67км;
L4= 99км;
Iкз max 1=30,6кА;
Iкз min 1=18,4кА;
Iкз max 2=27,2кА;
Iкз min 2=16,3кА;
Содержание
Аннотация | 4 |
Введение | 5 |
1. Исходные данные | 6 |
2. Выбор основного оборудования | 7 |
3. Выбор схем распределительных устройств | 9 |
4. Расчет токов короткого замыкания | 11 |
5. Выбор выключателей, трансформаторов тока | 15 |
6. Расчет защиты трансформаторов | 18 |
7. Схема подключения реле ДЗТ-11 | 27 |
Заключение | 28 |
Список литературы | 29 |
Характеристики курсовой работы
Предмет
Просмотров
3
Качество
Идеальное компьютерное
Размер
1,07 Mb
Список файлов
Пример.doc

Если нужен другой вариант работы или отдельная задача из любой работы, пишите в комментарии