Для студентов по предмету Релейная защитаПроектирование релейной защиты и автоматики трансформатора мощностью 10 МВА напряжением 110/10 кВ» Проектирование релейной защиты и автоматики трансформатора мощностью 10 МВА напряжением 110/10 кВ»
5,0053173
2025-06-192025-06-19СтудИзба
Курсовая работа: Проектирование релейной защиты и автоматики трансформатора мощностью 10 МВА напряжением 110/10 кВ»
Описание

Сопротивление системы:
Система С1:
Максимальный режим
Z1макс = 10,439 + j30.042;
Z0макс = 11,001 + j29,783.
Минимальный режим
Z1мин = 11,107 + j46,108;
Z0мин = 10,963 + j31,241.
Система С2:
Максимальный режим
Z1макс = 10,439 + j30.042;
Z0макс = 11,001 + j29,783.
Минимальный режим
Z1мин = 11,107 + j46,108;
Z0мин = 10,963 + j31,241.
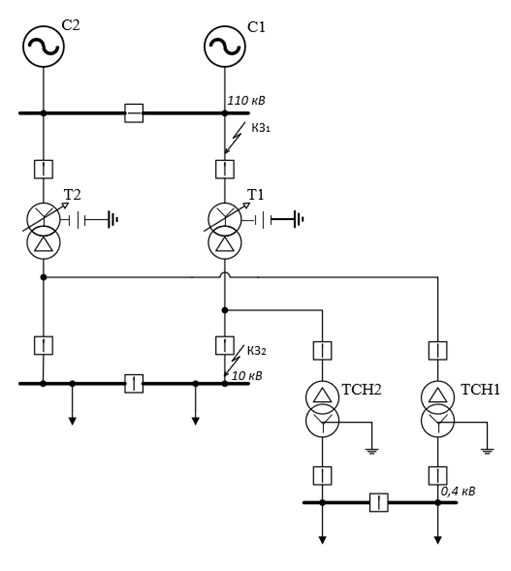
Трансформатор Т1:
ТДН-10000/110/10-У1
Таблица 1.1. Технические данные трансформатора
Тип трансформатора | ТДН-10000/110/10-У1 |
Номинальная мощность ВН/НН, МВА | 10/10 |
Номинальная мощность, кВ ВН НН | 115±9*1,78% 11 |
Напряжение короткого замыкания, % Uк ВН-НН ном | 11 |
Потери короткого замыкания, кВт Рк% ВН-НН | 62,3 |
Характеристики курсовой работы
Предмет
Просмотров
1
Качество
Идеальное компьютерное
Размер
470,32 Kb
Список файлов
primer_kursovoy.docx

Если нужен другой вариант работы или отдельная задача из любой работы, пишите в комментарии