Задача: Расчетно-графическая работа. Расчет уставок максимальных токовых защит (МТЗ) в сети с односторонним питанием. вариант а
Описание
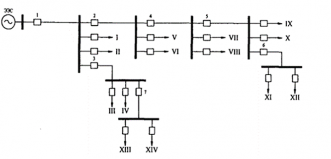
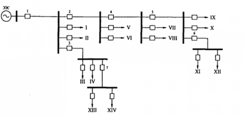
Для МТЗ 1-6 в сети, изображенной на рисунке 1, определить токи срабатывания Iс.з и времена срабатывания tс.з (МТЗ с независимой характеристикой выдержки времени) от междуфазных КЗ. Принять коэффициент отстройки kотс=1,2; коэффициент возврата kв = 0,9; коэффициент запуска двигательной нагрузки kз=1,5 и ступень селективности Δt = 0,5 с.
Максимальные рабочие токи нагрузок I-XIV приведены в таблице 1, а выдержки времени максимальных токовых защит потребителей I-XIV – в таблице 2.
Рисунок 2 – Схема сети
Таблица 1 – Максимальные рабочие токи нагрузок, А
Вариант | I | II | III | IV | V | VI | VII | VIII | IX | X | XI | XII | XIII | XIV |
а | 15 | 12 | 13 | 18 | 19 | 11 | 10 | 17 | 19 | 11 | 19 | 10 | 20 | 15 |
Таблица 2 – Времена срабатывания токовых защит нагрузок (потребителей), с
Вариант | I | II | III | IV | V | VI | VII | VIII | IX | X | XI | XII | XIII | XIV |
а | 1,5 | 2,0 | 0,5 | 1,0 | 0,5 | 1,0 | 1,5 | 1,0 | 0,5 | 1,0 | 0,5 | 1,0 | 1,5 | 2,0 |

Файлы условия, демо
Характеристики решённой задачи
Список файлов
