Курсовая работа: Горизонтальный парогенератор для РУ ВВЭР-600
Описание
1. Введение
1.1 РУ ВВЭР-600
1.2 ПГВ-1000МКП
2. Расчетные параметры и теплогидравлические характеристики
3. Конструкция парогенератора
3.1 Устройство основных составных частей
3.1.1 Корпус
3.1.2 Коллектор первого контура
3.1.3 Теплообменная поверхность
3.1.4 Сепарационный устройства
3.1.5 Устройства раздачи питательной воды
3.1.6 Устройства раздачи аварийной питательной воды
3.1.7 Погружной дырчатый лист
3.1.8 Устройства для отвода воды в продувку
3.1.9 Прочие внутрикорпусные устройства
3.2 Коллектор пара
3.3 Опора
3.4 Гидроамортизаторы
3.5 Уравнительные однокамерные и двухкамерные сосуды
4. Материалы парогенератора
5. Расчетное обоснование
5.1 Результаты теплогидравлических расчетов
5.2 Результаты прочностных расчетов
6. Порядок монтажа парогенератора
7. Сравнение разработанного изделия с аналогом
8. Заключение
1. Введение
1.1 РУ ВВЭР-600
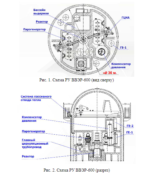
Двухпетлевая реакторная установка средней мощности ВВЭР-600 (рис.
1-3) представляет собой комплекс систем и элементов АЭС, предназначенный
для преобразования ядерной энергии в тепловую, включающий реактор,
разработанный на базе реактора РУ ВВЭР-1200, и непосредственно связанные
с ним системы, необходимые для его нормальной эксплуатации, аварийного
охлаждения, АЗ и поддержания в безопасном состоянии при условии
выполнения требуемых вспомогательных и обеспечивающих функций
другими системами станции. Технические характеристики установки
представлены в табл. 1. Основное оборудование РУ ВВЭР-600 представлено в
табл. 2.




Показать/скрыть дополнительное описание
Оглавление 1. Введение 1.1 РУ ВВЭР-600 1.2 ПГВ-1000МКП 2. Расчетные параметры и теплогидравлические характеристики 3. Конструкция парогенератора 3.1 Устройство основных составных частей 3.1.1 Корпус 3.1.2 Коллектор первого контура 3.1.3 Теплообменная поверхность 3.1.4 Сепарационный устройства 3.1.5 Устройства раздачи питательной воды 3.1.6 Устройства раздачи аварийной питательной воды 3.1.7 Погружной дырчатый лист 3.1.8 Устройства для отвода воды в продувку 3.1.9 Прочие внутрикорпусные устройства 3.2 Коллектор пара 3.3 Опора 3.4 Гидроамортизаторы 3.5 Уравнительные однокамерные и двухкамерные сосуды 4. Материалы парогенератора 5. Расчетное обоснование 5.1 Результаты теплогидравлических расчетов 5.2 Результаты прочностных расчетов 6.
Порядок монтажа парогенератора 7. Сравнение разработанного изделия с аналогом 8. Заключение 1. Введение 1.1 РУ ВВЭР-600 Двухпетлевая реакторная установка средней мощности ВВЭР-600 (рис. 1-3) представляет собой комплекс систем и элементов АЭС, предназначенный для преобразования ядерной энергии в тепловую, включающий реактор, разработанный на базе реактора РУ ВВЭР-1200, и непосредственно связанные с ним системы, необходимые для его нормальной эксплуатации, аварийного охлаждения, АЗ и поддержания в безопасном состоянии при условии выполнения требуемых вспомогательных и обеспечивающих функций другими системами станции. Технические характеристики установки представлены в табл.
1. Основное оборудование РУ ВВЭР-600 представлено в табл. 2..
Характеристики курсовой работы
Список файлов
