Вопросы/задания к контрольной работе: Расчет воздействия детерминированных сигналов на линейные стационарные радиотехнические цепи
Описание
Содержание | ||||
| | Задание на контрольную работу | 3 | ||
| | Введение | 4 | ||
| | 1.1 | Радиотехнические цепи и сигналы. Определения и понятия | 4 | |
| | 1.2 | Методы представления сигналов | 7 | |
| | 1.3 | Спектральное представление сигналов | 8 | |
| | 1.4 | Линейные стационарные схемы и детерминированные сигналы | 10 | |
| | 2 | Теоретическая часть | 12 | |
| | 2.1 | Расчет и построение амплитудного и фазового спектров | | |
входного сигнала | 12 | |||
| | 2.2 | Расчет и построение АЧХ и ФЧХ цепи | 15 | |
| | 2.3 | Расчет и построение амплитудного и фазового спектров | | |
отклика цепи | 19 | |||
| | 2.4 | Выводы по расчетам | 21 | |
| | 3 | Заключение | 22 | |
| | Список используемой литературы | 23 | ||
| | | | | |
Задание на контрольную работу
Задание на контрольную работу подразумевает под собой выполнение расчетно-графической работы, целью которой является:
– систематизация, закрепление и расширение теоретических знаний по дисциплине;
– углубленное изучение соответствующего раздела дисциплины;
– развитие навыков математического моделирования радиотехнических сигналов и цепей;
– изучение характеристик радиотехнических сигналов и методов их математического описания;
– анализ преобразования сигналов в радиотехнических цепях;
– синтез радиотехнических цепей с заданными свойствами.
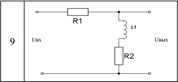
Числовые параметры элементов схемы, определяются по номеру в общем списке учебного потока в соответствии с таблице 1.
Таблица 1
№ варианта | E, В | Т, мкс | τ, мкс | R, кОм | C, нФ | L, мГн |
1 | 2 | 100 | 30 | 1 | 10 | 30 |
Вариант схемы радиотехнической цепи выбирается из таблицы 2 в соответствии с суммой двух последних цифр зачетной книжки. Схема варианта представлена на рисунке 1.

Рисунок 1 – Принципиальная схема варианта
МГТУ ГА
vitalievnatalia

















