Для студентов НГТУ по предмету РадиоавтоматикаУстойчивость линейных систем и коррекцияУстойчивость линейных систем и коррекция
4,96530139
2022-08-192022-08-19СтудИзба
Лабораторная работа 2: Устойчивость линейных систем и коррекция
Описание
Тема: Устойчивость линейных систем и коррекция.
Целью работы является исследование устойчивости двух различных линейных систем автоматического регулирования, а также влияние на устойчивость и запас устойчивости системы введенных в её структуру различных корректирующих звеньев. Работа выполняется в компьютерном классе на математических моделях систем.Краткие теоретические сведения
«Краеугольным камнем» теории устойчивости системы автоматического регулирования является теорема А.М. Ляпунова, согласно которой замкнутая система будет устойчивой, если все корни характеристического уравнения замкнутой системы имеют отрицательные вещественные части. Получить характеристическое уравнение очень просто: характеристический полином замкнутой системы (знаменатель передаточной функции) приравнивается нулю. Конечно, решать подобные алгебраические уравнения, особенно высоких порядков, непросто. Поэтому постепенно стали появляться критерии устойчивости (Гурвица, Найквиста, Михайлова). В данной работе активно задействованы критерии А.В. Михайлова и Г. Найквиста. Оба эти критерия являются частотными, так как рассматривают поведение на комплексной плоскости годографов неких частотных функций исследуемой системы. В частности, критерий Найквиста рассматривает форму годографа комплексного коэффициента передачи разомкнутой системы.Порядок выполнения работы:
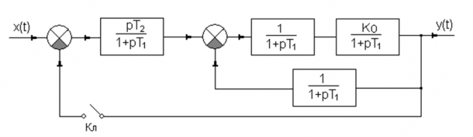
Рис 1.1. система №1а) Система неустойчива
б) Подключаем упругое дифференцирующее звено последовательной коррекции (именно такое состояние ключа Кл1 показано на схеме системы №1). Видно что система стала устойчивой
в) Отключается звено последовательной коррекции и подключается звено параллельной коррекции. Система снова устойчива, но видно, что эффективность коррекции явно увеличилась:
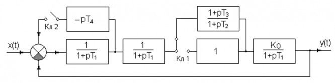
г) Проведем исследование, когда оба корректирующие звена подключены. Система стала еще более устойчивойРис 2.1. система №2
а) результаты анализа устойчивости разомкнутой системы
б) результаты анализа устойчивости замкнутой системы(устойчивая)
в) результаты анализа устойчивости замкнутой системы (неустойчивая)
Характеристики лабораторной работы
Предмет
Учебное заведение
Семестр
Номер задания
Программы
Просмотров
2
Качество
Идеальное компьютерное
Размер
1,02 Mb
Список файлов
Маткад.mcd
МУ.doc
Отчет.docx
Титульный лист.docx

Вам все понравилось? Получите кэшбэк - 40 рублей на Ваш счёт при покупке. Поставьте оценку и напишите положительный комментарий к купленному файлу. После Вы получите деньги на ваш счет.