Для студентов ВГТУ по предмету Промышленные роботыПроектирование РТКПроектирование РТК
5,0053309
2023-12-152023-12-15СтудИзба
ДЗ: Проектирование РТК вариант 49
Описание
Ставится задание спроектировать роботизированный технологический комплекс (РТК) для механической обработки детали в условиях серийного производства.
Исходные данные для разработки:
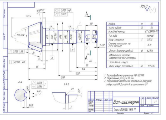
1. деталь: вал шестерня № 6;
2. технологические операции: токарная (Т), зуборезная (ЗР);
3. компоновка РТК: угловая (У).
При проектировании необходимо решить следующие задачи:
1. выбрать типоразмер проката под заготовку детали и определить массу заготовки;
2. разработать технологический процесс обработки детали, заполнить маршрутные и операционные карты;
3. выбрать основное технологическое оборудование, оснащенное системами программного управления;
4. определить необходимый состав вспомогательного оборудования для накопления и ориентации заготовок, полуфабрикатов и готовых деталей, а также для базирования и зажима деталей на рабочих позициях;
5. выбрать типоразмер промышленного робота с необходимыми техническими параметрами;
6. разработать алгоритм работы РТК (в виде циклограммы);
7. составить программу для управления промышленными роботами, входящими в состав РТК, согласно алгоритму работы РТК.
![]()
Исходные данные для разработки:
1. деталь: вал шестерня № 6;
2. технологические операции: токарная (Т), зуборезная (ЗР);
3. компоновка РТК: угловая (У).
При проектировании необходимо решить следующие задачи:
1. выбрать типоразмер проката под заготовку детали и определить массу заготовки;
2. разработать технологический процесс обработки детали, заполнить маршрутные и операционные карты;
3. выбрать основное технологическое оборудование, оснащенное системами программного управления;
4. определить необходимый состав вспомогательного оборудования для накопления и ориентации заготовок, полуфабрикатов и готовых деталей, а также для базирования и зажима деталей на рабочих позициях;
5. выбрать типоразмер промышленного робота с необходимыми техническими параметрами;
6. разработать алгоритм работы РТК (в виде циклограммы);
7. составить программу для управления промышленными роботами, входящими в состав РТК, согласно алгоритму работы РТК.

Характеристики домашнего задания
Предмет
Учебное заведение
Вариант
Просмотров
1
Размер
1,86 Mb
Список файлов
Primer_kontrolnoi_13641455.pdf

Если нужен другой вариант работы или отдельная задача из любой работы, пишите в комментарии