Для студентов ЮУрГУ по предмету Производственная практика: научно-исследовательская работаМоделирование источников распределенной генерации в Matlab/SimulinkМоделирование источников распределенной генерации в Matlab/Simulink
5,0053326
2025-04-142025-04-14СтудИзба
Отчёт по практике: Моделирование источников распределенной генерации в Matlab/Simulink
Описание
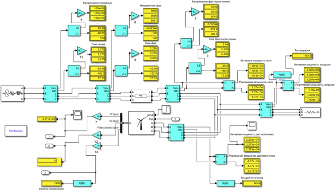
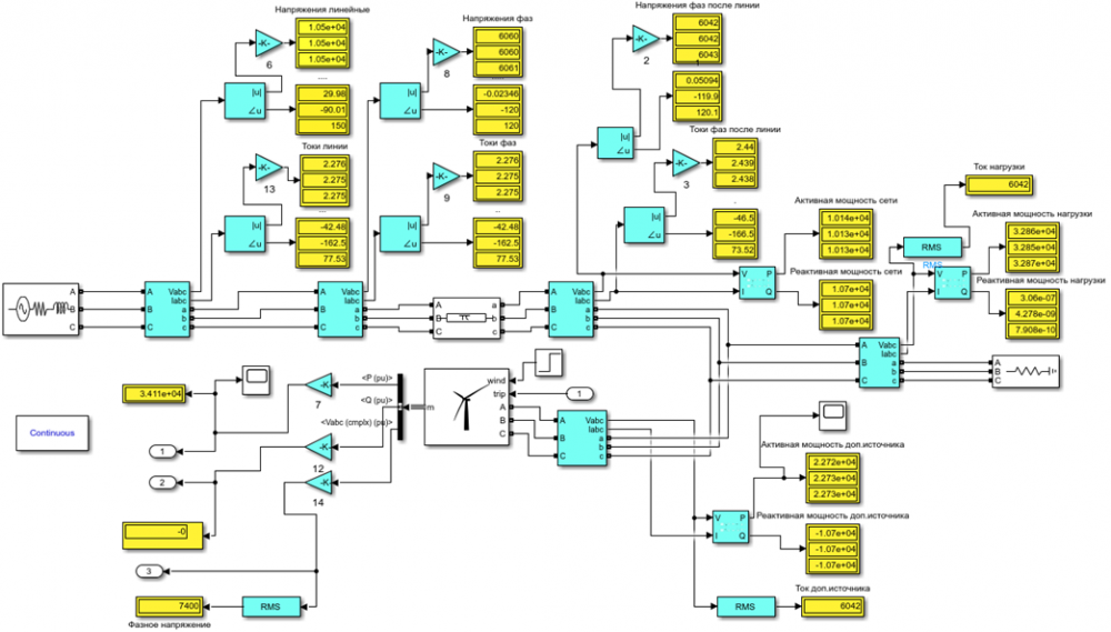
В данной работе представлена модель сети с источником распределённой генерации, разработанная в программе Matlab/Simulink, на рисунке 1. Схема включает в себя блоки, отвечающие за различные аспекты управления, такие как генерация сигнала, преобразование данных и выведение результатов измерения.
ОГЛАВЛЕНИЕ
ВВЕДЕНИЕ. 4
ИСПОЛЬЗУЕМЫЕ БЛОКИ ДЛЯ МОДЕЛИ ЭЛЕКТРИЧЕСКОЙ СЕТИ.. 6
ПОЛУЧЕННЫЕ РЕЗУЛЬТАТЫ.. 23
ЗАКЛЮЧЕНИЕ. 26
БИБЛИОГРАФИЧЕСКИЙ СПИСОК. 27

ОГЛАВЛЕНИЕ
ВВЕДЕНИЕ. 4
ИСПОЛЬЗУЕМЫЕ БЛОКИ ДЛЯ МОДЕЛИ ЭЛЕКТРИЧЕСКОЙ СЕТИ.. 6
ПОЛУЧЕННЫЕ РЕЗУЛЬТАТЫ.. 23
ЗАКЛЮЧЕНИЕ. 26
БИБЛИОГРАФИЧЕСКИЙ СПИСОК. 27
Характеристики отчёта по практике
Учебное заведение
Просмотров
3
Качество
Идеальное компьютерное
Размер
863,22 Kb
Список файлов
okonchatelny.docx

Если нужен другой вариант работы или отдельная задача из любой работы, пишите в комментарии