Для студентов МГТУ им. Н.Э.Баумана по предмету Проектирование технологических комплексов механосборочного производства (МТ-3)Комплекс изготовления деталей авиационной техники 2Комплекс изготовления деталей авиационной техники 2
4,88561
2021-07-132021-07-13СтудИзба
Курсовая работа: Комплекс изготовления деталей авиационной техники 2
-50%
Описание
Характеристики курсовой работы
Учебное заведение
Просмотров
16
Размер
8,04 Mb
Список файлов
38
МТП_1_3.pdf
МТП_2_4.pdf
НИР.pdf
ОТП_1_5.pdf
РПЗ.pdf
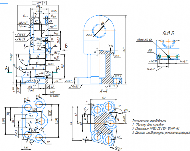
вилка_деталь.pdf
исхданные_1.pdf
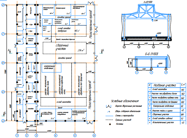
компоновка цеха_8.pdf
приспособления_для_фрезерования_10.pdf
технологическая схема2_7cdw.pdf
технологическая схема_6.pdf
техсхемапроизводства_2.pdf
участок_9.pdf
экономика.pdf
Комментарии
Нет комментариев
Стань первым, кто что-нибудь напишет!


МГТУ им. Н.Э.Баумана


















