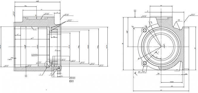
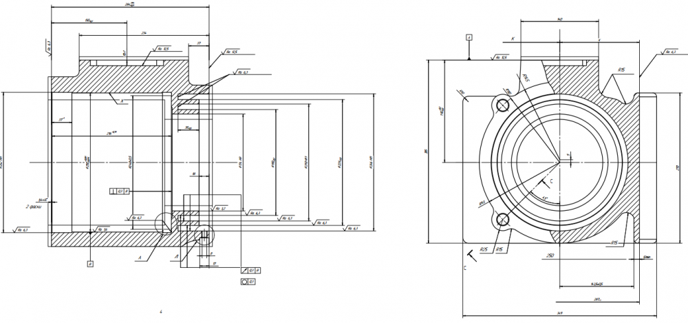
Для студентов МГТУ им. Н.Э.Баумана по предмету Проектирование технологических комплексов механосборочного производства (МТ-3)Проектирование механического участка изговления корпус буксыПроектирование механического участка изговления корпус буксы
5,00528
2021-06-272021-06-27СтудИзба
Курсовая работа: Проектирование механического участка изговления корпус буксы
Описание
Характеристики курсовой работы
Учебное заведение
Просмотров
19
Размер
1,19 Mb
Список файлов
10
МТП.pdf
ОТП.pdf
Планировка.pdf
РПЗ.pdf
анализ исходных данных.pdf
приспособление.pdf
Комментарии
Нет комментариев
Стань первым, кто что-нибудь напишет!
МГТУ им. Н.Э.Баумана



















