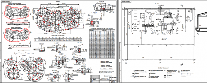
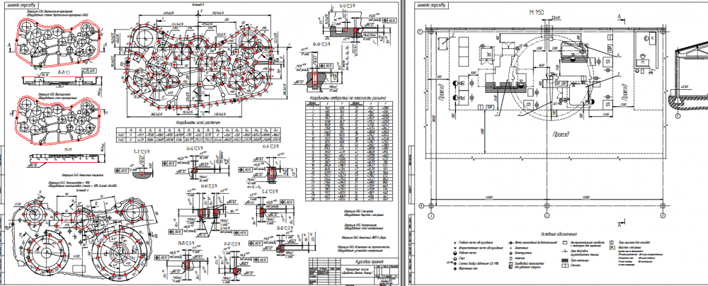
Курсовая работа: Курсовой проект по проектированию механического участка изготовления деталей Крышки
Описание
Характеристики курсовой работы
Учебное заведение
Просмотров
32
Размер
3,57 Mb
Список файлов
Курсовой проект
Листы.pdf
РПЗ.pdf
Комментарии
Нет комментариев
Стань первым, кто что-нибудь напишет!

МГТУ им. Н.Э.Баумана

















