Курсовая работа Расчет и проектирование технических систем защиты атмосферы
Описание
Защита атмосферы от вредных выбросов является одной из наиболее актуальных проблем современности. В связи с этим, разработка эффективных технических систем защиты атмосферы становится все более важной задачей.
Технические системы защиты атмосферы могут быть различными по своему назначению и функциональности. Они могут использоваться для очистки воздуха от вредных веществ, таких как оксиды азота, серы и углерода, а также для удаления других загрязнений.
При проектировании таких систем необходимо учитывать множество факторов, таких как тип и концентрация загрязнений, условия эксплуатации системы и требования к ее эффективности. Кроме того, необходимо учитывать экономические аспекты и возможности реализации проекта.
Для расчета и проектирования технических систем защиты атмосферы используются различные методы и подходы. Один из наиболее распространенных методов – это метод математического моделирования. С помощью этого метода можно определить оптимальные параметры системы и оценить ее эффективность.
Целью курсовой работы является расчет и проектирование технических систем защиты атмосферы.
Для достижения поставленной цели, были решены следующий перечень задач:
- проанализировать литературу по теме курсовой работы;
- проанализировать виды и источники загрязнения атмосферы;
- провести анализ методов очистки атмосферы и новых технологий;
- провести расчет установок для снижения уровня загрязнения атмосферы от пылегазовых выбросов сушилок очистных сооружений.
Содержание
Введение
1 Анализ загрязнения атмосферы
1.1 Виды и источники загрязнения
1.2 Основные загрязнители
1.3 Влияние на здоровье людей
2 Методы очистки атмосферы и новые технологии
2.1 Состав, количество и опасность аэрополлютантов
2.2 Экологизация технологических процессов и оптимизация размещения источников загрязнения
2.3 Методы очистки атмосферы
3 Расчет и проектирование технических систем защиты атмосферы
3.1 Расчет установок для снижения уровня загрязнения атмосферы от пылегазовых выбросов сушилок очистных сооружений
Заключение
Список использованных источников
Рисунок 1 – Схемы использования средств защиты атмосферы
Рисунок 2 – Принципиальная схема очистки
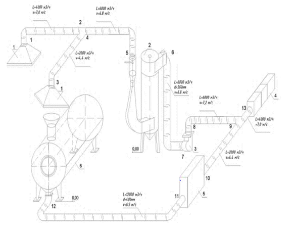
Рисунок 3 – Проектирование аксонометрической схемы очистки воздухаПоказать/скрыть дополнительное описаниеРасчет и проектирование технических систем защиты атмосферы являются важными задачами, которые требуют глубокого понимания и анализа. В данной работе мы рассмотрим основные принципы и методы, используемые при проектировании и расчете таких систем. Защита атмосферы от вредных выбросов является одной из наиболее актуальных проблем современности. В связи с этим, разработка эффективных технических систем защиты атмосферы становится все более важной задачей. Технические системы защиты атмосферы могут быть различными по своему назначению и функциональности. Они могут использоваться для очистки воздуха от вредных веществ, таких как оксиды азота, серы и углерода, а также для удаления других загрязнений.
При проектировании таких систем необходимо учитывать множество факторов, таких как тип и концентрация загрязнений, условия эксплуатации системы и требования к ее эффективности. Кроме того, необходимо учитывать экономические аспекты и возможности реализации проекта. Для расчета и проектирования технических систем защиты атмосферы используются различные методы и подходы. Один из наиболее распространенных методов – это метод математического моделирования. С помощью этого метода можно определить оптимальные параметры системы и оценить ее эффективность. Целью курсовой работы является расчет и проектирование технических систем защиты атмосферы. Для достижения поставленной цели, были решены следующий перечень задач: проанализировать литературу по теме курсовой работы; проанализировать виды и источники загрязнения атмосферы; провести анализ методов очистки атмосферы и новых технологий; провести расчет установок для снижения уровня загрязнения атмосферы от пылегазовых выбросов сушилок очистных сооружений..
ОГУ
wise owl

















