Для студентов НИУ «МЭИ» по предмету Проектирование объектов энергетикиПроектирование подстанции ТП-6/0,4 кВПроектирование подстанции ТП-6/0,4 кВ
5,0053241
2025-10-082025-10-08СтудИзба
Курсовая работа: Проектирование подстанции ТП-6/0,4 кВ
Новинка
Описание
БКТП-1000/6/0,4 кВА, 2х1000 кВА
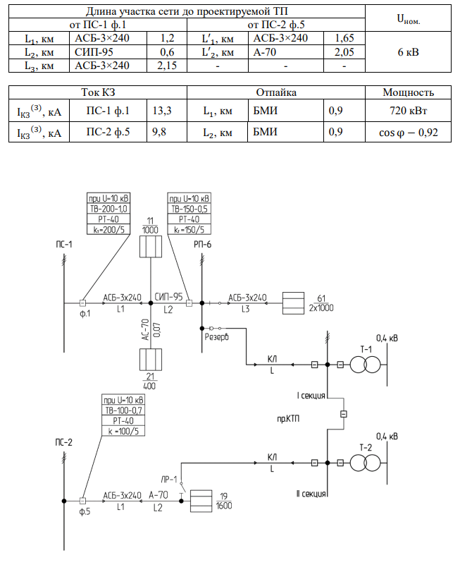
Проектирование новой ТП 6/0,4 с трансформаторами 2х1000 кВА для электроснабжения энергопринимающих устройств заявителя по адресу: Московская обл., Ленинский г.о., д. Слобода.
Основная задача курсового проекта – получить и закрепить навыки проектирования блочных трансформаторных подстанций напряжением 6- 20/0,4 кВ.
Данная задача будет выполняться на примере разработки проекта по организации технологического присоединения энергопринимающих устройств заявителя.
Необходимо выполнить проектирования новой трансформаторной подстанции 6/0,4 кВ с включением её в уже существующую сеть через, вновь вводимую, кабельную линию (марку и сечение КЛ-6 кВ определить проектом). Курсовым проектом предусмотрено:
1) проектирование КТП тупикового типа в соответствии с разрешённой мощностью, категория надёжности – 2;
2) составление схемы компоновки оборудования проектируемой подстанции и её принципиальной однолинейной схемы;
3) расчёт токов КЗ;
4) выбор уставок релейной защиты, коэффициент загрузки сети -0,7;
5) выбор и проверка силового оборудования, кабельной линии в проектируемой ТП по условиям продолжительного и кратковременных режимов;
6) проверка трансформаторов тока на вводах 0,4 кВ проектируемой ТП по требованию учёта
Содержание
1 РАСЧЁТ ТОКОВ КОРОТКОГО ЗАМЫКАНИЯ............................................. 6
2 ВЫБОР И ПРОВЕРКА УСТАВОК ЗАЩИТ ................................................. 11
3 ПРОВЕРКА ОБОРУДОВАНИЯ..................................................................... 16
ЗАКЛЮЧЕНИЕ .................................................................................................. 18
![]()
Проектирование новой ТП 6/0,4 с трансформаторами 2х1000 кВА для электроснабжения энергопринимающих устройств заявителя по адресу: Московская обл., Ленинский г.о., д. Слобода.
Основная задача курсового проекта – получить и закрепить навыки проектирования блочных трансформаторных подстанций напряжением 6- 20/0,4 кВ.
Данная задача будет выполняться на примере разработки проекта по организации технологического присоединения энергопринимающих устройств заявителя.
Необходимо выполнить проектирования новой трансформаторной подстанции 6/0,4 кВ с включением её в уже существующую сеть через, вновь вводимую, кабельную линию (марку и сечение КЛ-6 кВ определить проектом). Курсовым проектом предусмотрено:
1) проектирование КТП тупикового типа в соответствии с разрешённой мощностью, категория надёжности – 2;
2) составление схемы компоновки оборудования проектируемой подстанции и её принципиальной однолинейной схемы;
3) расчёт токов КЗ;
4) выбор уставок релейной защиты, коэффициент загрузки сети -0,7;
5) выбор и проверка силового оборудования, кабельной линии в проектируемой ТП по условиям продолжительного и кратковременных режимов;
6) проверка трансформаторов тока на вводах 0,4 кВ проектируемой ТП по требованию учёта
Содержание
1 РАСЧЁТ ТОКОВ КОРОТКОГО ЗАМЫКАНИЯ............................................. 6
2 ВЫБОР И ПРОВЕРКА УСТАВОК ЗАЩИТ ................................................. 11
3 ПРОВЕРКА ОБОРУДОВАНИЯ..................................................................... 16
ЗАКЛЮЧЕНИЕ .................................................................................................. 18

Характеристики курсовой работы
Учебное заведение
Просмотров
1
Качество
Идеальное компьютерное
Размер
1,75 Mb
Список файлов
kp-itog1.pdf

Если нужен другой вариант работы или отдельная задача из любой работы, пишите в комментарии