Для студентов НГТУ им. Р.Е. Алексеева по предмету Приводы автоматизированного оборудованияРучное управление работой одного пневмоцилиндраРучное управление работой одного пневмоцилиндра
4,945231
2025-04-182025-04-18СтудИзба
Лабораторная работа: Ручное управление работой одного пневмоцилиндра
Описание
Сравнение двух схем дроссельного регулирования
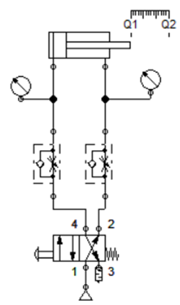
Пневмосистема с дросселями «на входе».
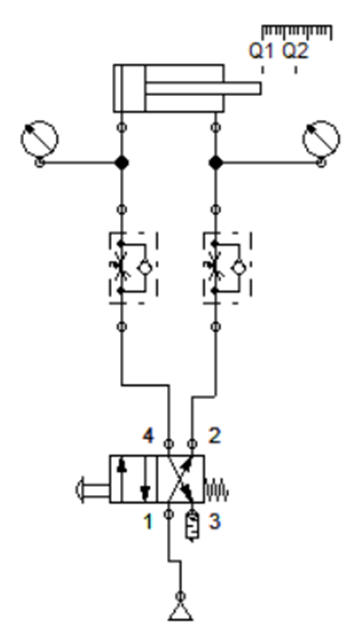
Пневмосистема с дросселями «на выходе».
![]()
Пневмосистема с дросселями «на входе».
Пневмосистема с дросселями «на выходе».

Характеристики лабораторной работы
Учебное заведение
Просмотров
1
Размер
176,72 Kb
Список файлов
Laba_primer.docx
НГТУ им. Р.Е. Алексеева
vitalievnatalia

















