Для студентов МГТУ им. Н.Э.Баумана по предмету Прикладная механикаДомашнее задание №2Домашнее задание №2
5,00567
2023-01-122023-01-12СтудИзба
ДЗ 2: Домашнее задание №2 вариант 10
Описание
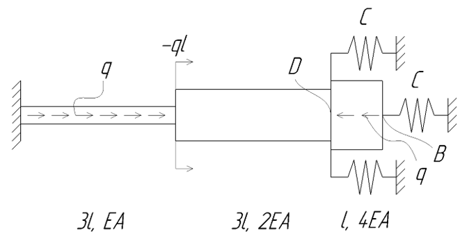
Для заданной системы требуется:
1. Записать в матричном виде уравнения состояния стержня при растяжении сжатии.
2. Разбить систему на отдельные стержни, ввести глобальную и локальные системы координат. Записать в матричном виде уравнения изменения вектора состояния при переходе от левого края системы к ее правому краю. Записать в матричном виде граничные условия. Сформировать СЛАУ для поиска вектора начальных параметров. Найти вектор начальных параметров.
3. Используя метод начальных параметров, вычислить перемещения сечений стержня при С→0 и при С→ .

Характеристики домашнего задания
Предмет
Учебное заведение
Семестр
Номер задания
Вариант
Просмотров
28
Качество
Идеальное компьютерное
Размер
520,68 Kb
Список файлов
ДЗ№2_Студизба.pdf
МГТУ им. Н.Э.Баумана


















