Для студентов МГТУ им. Н.Э.Баумана по предмету Прикладная механикаДомашнее задание №1Домашнее задание №1
5,0051
2023-01-122023-01-12СтудИзба
ДЗ 1: Домашнее задание №1 вариант 10
Описание
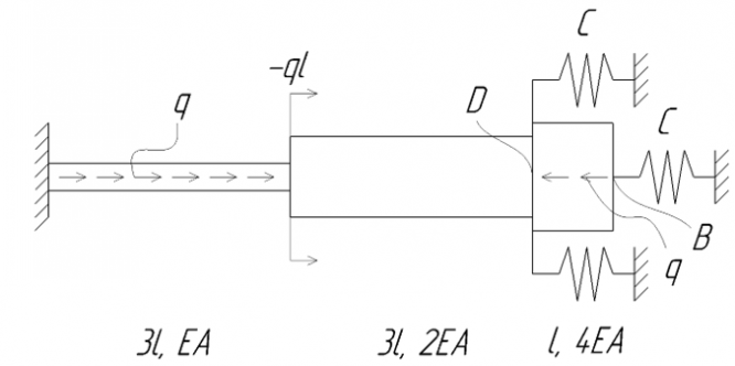
Задание на две пружины. Новое!!!
Для заданной системы требуется:
1. Используя метод сил, раскрыть статическую неопределимость. Найти силу в пружине в зависимости от жесткости С. Вычислить значения силы в пружине при С→0 и при С→ .
2. Изобразить систему при С→0 и при С→ . Для каждой системы построить эпюры осевой силы N и осевого преремещения поперечного сечения w. Проверить равенство вычисленной в п.2 силы в пружине и значения реакций соответствующих связей. Вычислить работу внешних сил и потенциальную энергию деформации системы при С→0 и при С→ .

Характеристики домашнего задания
Предмет
Учебное заведение
Семестр
Номер задания
Вариант
Просмотров
71
Качество
Идеальное компьютерное
Размер
656,12 Kb
Список файлов
ДЗ№1 Студизба.pdf