Для студентов МГТУ им. Н.Э.Баумана по предмету Построение технологических процессовПроектирование технологического процесса сборки узла редуктор червячный и изготовления детали стаканПроектирование технологического процесса сборки узла редуктор червячный и изготовления детали стакан
5,0054
2021-03-192024-09-03СтудИзба
Курсовая работа: Проектирование технологического процесса сборки узла редуктор червячный и изготовления детали стакан
Бестселлер
-41%
Описание
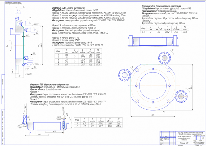
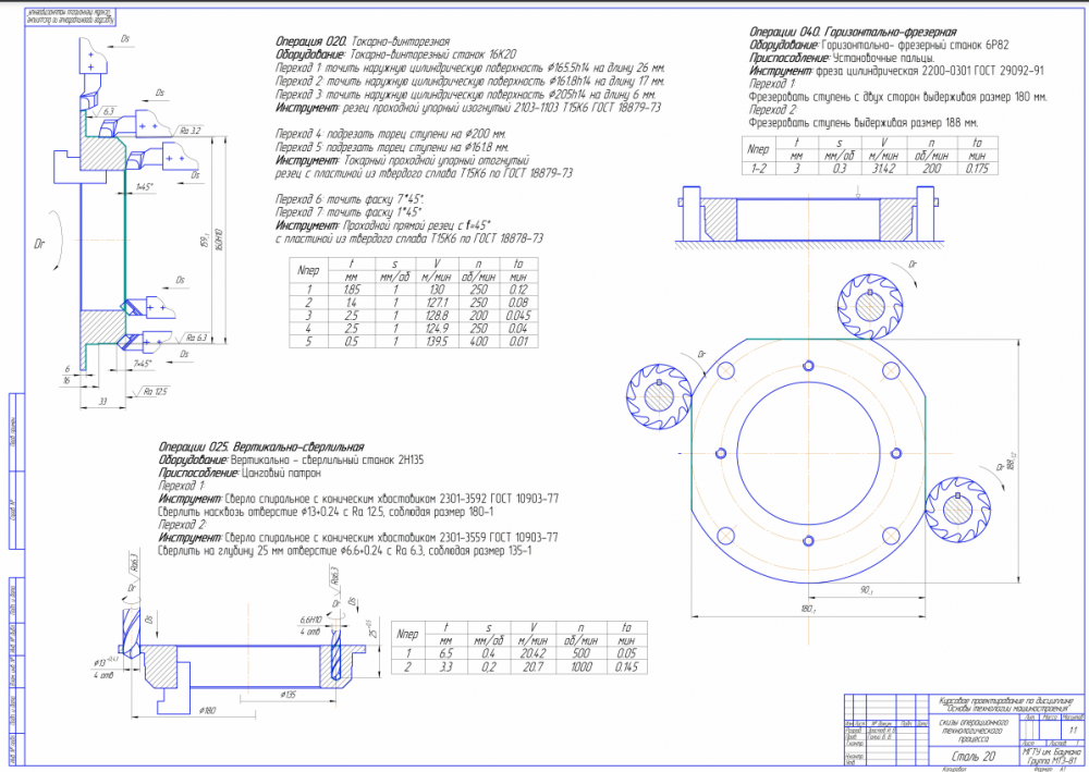
Разработан маршрутно-операционный технологический процесс изготовления первичного вала. Разработаны схемы планировки рабочих мест. Перечень графического материала:
1. Технологические схемы сборки РЧ96 – 1 лист
2. Эскизы сборочных операций, расчѐт размерных цепей, планировки рабочих мест сборки – 1 лист
3. Маршрутный технологический процесс изготовления детали «Стакан» – 1,5 листа.
4. Операционные эскизы для 3 характерных операций механической обработки – 1 лист
![]()
1. Технологические схемы сборки РЧ96 – 1 лист
2. Эскизы сборочных операций, расчѐт размерных цепей, планировки рабочих мест сборки – 1 лист
3. Маршрутный технологический процесс изготовления детали «Стакан» – 1,5 листа.
4. Операционные эскизы для 3 характерных операций механической обработки – 1 лист





Характеристики курсовой работы
Учебное заведение
Семестр
Просмотров
72
Размер
20,16 Mb
Список файлов
Проектирование технологического процесса сборки узла редуктор червячный и изготовления детали стакан
Лист 1-сборка.pdf
Лист 1.PNG
Лист 2.pdf
Лист 3 - маршрут.pdf
Лист 4 - маршрут част 2.pdf
Лист 4.PNG
Лист 5 -операция.pdf
Припус.pdf
РПЗ.pdf
Расчет режимов резание.pdf

Друзья, спасибо за доверие! Если вам понравилась работа – поставьте 5⭐ и напишите отзыв. Это поможет другим студентам, а мне даст силы делать ещё больше качественных материалов для вас 🔥