Для студентов МТУСИ по предмету Основы теории цепей (ОТЦ)Исследование на ЭВM характеристик источника постоянного напряженияИсследование на ЭВM характеристик источника постоянного напряжения
5,0051
2023-12-152023-12-15СтудИзба
Лабораторная работа 1, 2: Исследование на ЭВM характеристик источника постоянного напряжения
Описание
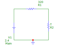
Лабораторная работа №1
Исследование на ЭВM характеристик источника постоянного напряжения
Цель работы: С помощью программы Micro-Cap получить внешние характеристики источников напряжения.
Лабораторная работа №2
Исследование входных частотных характеристик в RC-цепи
Цель работы: С помощью программы Micro-Cap исследовать входные амплитудно-частотные и фазочастотные характеристики RC-цепи. Сравнить АЧХ и ФЧХ, полученные с помощью программы Micro-Cap , с аналогичными характеристиками, полученными расчетным путем.
Исследование на ЭВM характеристик источника постоянного напряжения
Цель работы: С помощью программы Micro-Cap получить внешние характеристики источников напряжения.

Лабораторная работа №2
Исследование входных частотных характеристик в RC-цепи
Цель работы: С помощью программы Micro-Cap исследовать входные амплитудно-частотные и фазочастотные характеристики RC-цепи. Сравнить АЧХ и ФЧХ, полученные с помощью программы Micro-Cap , с аналогичными характеристиками, полученными расчетным путем.

Характеристики лабораторной работы
Предмет
Учебное заведение
Просмотров
10
Размер
366,83 Kb
Список файлов
Primer_otchyota_po_vypolneniyu_lab_rabot_po_Elektrotekhnike_1_11639205.docx

Если нужен другой вариант работы или отдельная задача из любой работы, пишите в комментарии