Для студентов НГТУ по предмету Основы теории цепей (ОТЦ)Вариант 23 - Группа 7 - КП - Анализ гармонического процесса в отрезке радиочастотного кабеляВариант 23 - Группа 7 - КП - Анализ гармонического процесса в отрезке радиочастотного кабеля
4,96530051
2021-08-222021-08-22СтудИзба
Курсовая работа: Вариант 23 - Группа 7 - КП - Анализ гармонического процесса в отрезке радиочастотного кабеля вариант 23
Описание
Пояснительная записка к курсовой работе по курсу: Основы теории цепей
на тему: Анализ гармонического процесса в отрезке радиочастотного кабеля
Содержание
- Задание на курсовую работу
- Выбор марки радиочастотного кабеля
- Моделирование генератора, нагрузки и отрезка радиочастотного кабеля
- Расчет распределения действующих значений напряжения и тока вдоль нагруженного отрезка линии без потерь
- Расчет распределения вещественной и мнимой составляющих сопротивления вдоль отрезка линии
- Расчет значений активных мощностей
- Определение значений параметров элементов согласующих устройств
- Определение значений параметров согласующего устройства по диаграмме сопротивлений и проводимостей
- Расчет распределений действующих значений напряжения и тока при согласовании
- Построение графиков распределений вещественной и мнимой составляющих сопротивления
- Определение значения активной мощности нагрузки в начале и в конце линии в согласованном режиме
- Список литературы
Задание на курсовую работу
Высокочастотный генератор мощностью РГ с внутренним сопротивлением RГ, работающий на частоте ƒГ, связан с приемником энергии отрезком радиочастотного кабеля длиной l. Приемник энергии представлен пассивным двухполюсником сопротивлением Zн = Rн + jXн. В соответствии с вариантом задания, требуется:- Выбрать марку радиочастотного кабеля, исходя из заданных значений параметров высокочастотного генератора. Критерий выбора – минимальная величина номинальной массы кабеля. Привести эскиз конструкции выбранного кабеля с указанием размеров его элементов, а также параметры и частотные характеристики.
- Подобрать модели генератора и нагруженного отрезка кабеля и определить значения их параметров.
- Рассчитать распределения действующих значений или огибающих напряжения и тока вдоль нагруженного отрезка линии и построить их графики на интервале [0;l].
- Рассчитать и построить графики распределения составляющих сопротивления и проводимости (в зависимости от способа последующего согласования) вдоль отрезка линии.
- Рассчитать распределения активной и реактивной мощностей вдоль отрезка кабеля на интервале [0;l] и построить их графики. Сравнить значения активной мощности, отдаваемой генератором, и активной мощности, потребляемой нагрузкой кабеля. Сопоставить их со значением мощности генератора Рг.
- Рассчитать значения параметров элементов согласующего устройства.
- Найти значения параметров элементов согласующего устройства по диаграмме полных сопротивлений (проводимостей) и описать порядок их определения с соответствующими графическими построениями.
- Рассчитать распределения действующих значений напряжения и тока вдоль отрезка линии и элементов согласующего устройства и построить их графики.
- Рассчитать и построить графики распределения вещественной и мнимой составляющих сопротивления или проводимости вдоль отрезка линии и элементов согласующего устройства.
- Рассчитать распределения активной и реактивной мощностей вдоль согласованного участка отрезка кабеля и элементов согласующего устройства и построить их графики. Сравнить значения активной мощности, отдаваемой генератором, и активной мощности, потребляемой нагрузкой кабеля. Сопоставить их со значением мощности генератора Рг.
Исходные данные
Рис. | Рг | Rг | fг | l/l | Zн |
№ | Вт | Ом | МГц | отн. ед. | Ом |
5 | 50 | 50 | 1900/7 | 0.95 | 80+j60 |
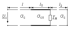
Схема согласующего устройства
Согласование четвертьволновым трансформатором и параллельным замкнутым шлейфом
Характеристики курсовой работы
Предмет
Учебное заведение
Семестр
Вариант
Просмотров
5
Качество
Идеальное компьютерное
Размер
965,51 Kb
Список файлов
Вариант 23 - Группа 7 - КП - Анализ гармонического процесса в отрезке радиочастотного кабеля
Вариант 23 - Группа 7 - КП - Анализ гармонического процесса в отрезке радиочастотного кабеля.docx
Вариант 23 - Группа 7 - КП - Анализ гармонического процесса в отрезке радиочастотного кабеля.xmcd

Вам все понравилось? Получите кэшбэк - 40 рублей на Ваш счёт при покупке. Поставьте оценку и напишите положительный комментарий к купленному файлу. После Вы получите деньги на ваш счет.