Для студентов НГТУ по предмету Основы теории цепей (ОТЦ)РГЗ №1 - Анализ линейной электрической цепи постоянного тока - Вариант 19РГЗ №1 - Анализ линейной электрической цепи постоянного тока - Вариант 19
2021-08-242021-08-24СтудИзба
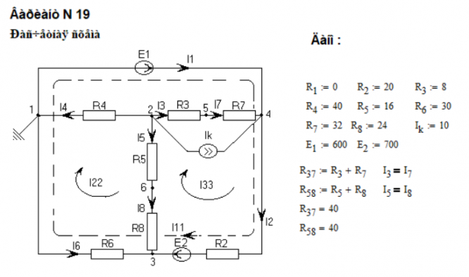
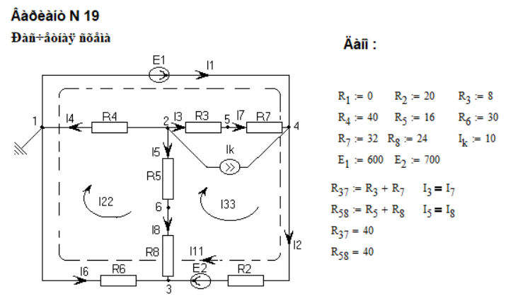
Курсовая работа: РГЗ №1 - Анализ линейной электрической цепи постоянного тока - Вариант 19 вариант 19
Описание
Характеристики курсовой работы
Предмет
Учебное заведение
Семестр
Вариант
Просмотров
11
Качество
Идеальное компьютерное
Размер
1,4 Mb
Список файлов
РГЗ №1 - Анализ линейной электрической цепи постоянного тока - Вариант 19
РГЗ №1 - Анализ линейной электрической цепи постоянного тока - Вариант 19.mcd

Вам все понравилось? Получите кэшбэк - 40 рублей на Ваш счёт при покупке. Поставьте оценку и напишите положительный комментарий к купленному файлу. После Вы получите деньги на ваш счет.