Для студентов НГТУ по предмету Основы теории цепей (ОТЦ)Вариант 20 - Группа 3 - КП - Анализ гармонического процесса в отрезке радиочастотного кабеляВариант 20 - Группа 3 - КП - Анализ гармонического процесса в отрезке радиочастотного кабеля
5,0051
2021-08-222021-08-22СтудИзба
Курсовая работа: Вариант 20 - Группа 3 - КП - Анализ гармонического процесса в отрезке радиочастотного кабеля вариант 20
Описание
Пояснительная записка к курсовой работе по курсу: Основы теории цепей
на тему: Анализ гармонического процесса в отрезке радиочастотного кабеля
Содержание
- Задание на курсовую работу
- Выбор марки радиочастотного кабеля
- Моделирование генератора, нагрузки и отрезка радиочастотного кабеля
- Расчет распределения действующих значений напряжения и тока вдоль нагруженного отрезка линии без потерь
- Расчет распределения вещественной и мнимой составляющих сопротивления вдоль отрезка линии
- Расчет значений активных мощностей
- Определение значений параметров элементов согласующих устройств
- Определение значений параметров согласующего устройства по диаграмме сопротивлений и проводимостей
- Расчет распределений действующих значений напряжения и тока при согласовании
- Построение графиков распределений вещественной и мнимой составляющих сопротивления
- Определение значения активной мощности нагрузки в начале и в конце линии в согласованном режиме
- Список литературы
Задание на курсовую работу
Высокочастотный генератор мощностью Рг с внутренним сопротивлением Rг , работающий на частоте fг, связан с приемником энергии отрезком радиочастотного кабеля длиной . Приемник энергии представлен пассивным двухполюсником сопротивлением Z2. В соответствии с данными из табл.1 требуется:- Произвести выбор марки радиочастотного кабеля, исходя из заданных значений параметров высокочастотного генератора. Критерий выбора - минимальная величина номинальной массы кабеля. Привести эскиз конструкции выбранного кабеля с указанием размеров его элементов, а также параметры и частотные характеристики.
- Подобрать модели генератора и нагруженного отрезка кабеля и определить значение их параметров.
- Рассчитать распределения действующих значений или огибающих напряжения и тока вдоль нагруженного отрезка линии и построить их графики.
- Построить графики распределения вещественной и мнимой составляющих сопротивления или проводимости вдоль отрезка линии.
- Определить и сопоставить значения активной мощности в начале и в конце отрезка линии.
- Рассчитать значения параметров элементов согласующего устройства.
- Найти значения параметров элементов согласующего устройства по диаграмме полных сопротивлений и описать порядок их определения.
- Рассчитать распределения действующих значений напряжения и тока вдоль отрезка линии и элементов согласующего устройства и построить их графики.
- Построить графики распределения вещественной и мнимой составляющих сопротивления или проводимости вдоль отрезка линии и элементов согласующего устройства.
- Определить и сопоставить значения активной мощности нагрузки в начале и в конце отрезка линии в согласованном режиме.
Исходные данные
Рис. | Рг | Rг | fг | l/l | Zн |
№ | Вт | Ом | МГц | отн. ед. | Ом |
2 | 35 | 75 | 1750/3,5 | 0.65 | 60+j30 |
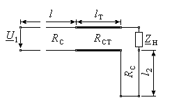
Схема согласующего устройства
Согласование четвертьволновым трансформатором и последовательным короткозамкнутым шлейфом.
Характеристики курсовой работы
Предмет
Учебное заведение
Семестр
Вариант
Просмотров
20
Качество
Идеальное компьютерное
Размер
486,87 Kb
Список файлов
Вариант 20 - Группа 3 - КП - Анализ гармонического процесса в отрезке радиочастотного кабеля
Вариант 20 - Группа 3 - КП - Анализ гармонического процесса в отрезке радиочастотного кабеля.DOC
Вариант 20 - Группа 3 - КП - Анализ гармонического процесса в отрезке радиочастотного кабеля.MCD
Диаграмма.doc
Титульный лист.doc

Вам все понравилось? Получите кэшбэк - 40 рублей на Ваш счёт при покупке. Поставьте оценку и напишите положительный комментарий к купленному файлу. После Вы получите деньги на ваш счет.