Для студентов САФУ им. Ломоносова по предмету Основы технологии машиностроенияОсновы проектирования технологии изготовления изделийОсновы проектирования технологии изготовления изделий
4,935238
2025-11-182025-11-18СтудИзба
Вопросы/задания к контрольной работе: Основы проектирования технологии изготовления изделий
Новинка
Описание
ОГЛАВЛЕНИЕ
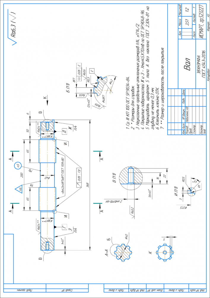
1 Анализ чертежа детали «Вал» и ее служебного назначения......................................... 5
3 Выбор методов обработки поверхностей детали «Вал». Разработка маршрутного технологического процесса................................................................................................... 16
Приложение А............................................................................................................................ 23Приложение В............................................................................................................................ 25
ЗАДАНИЕ
- Начертить деталь, проставить размеры и указать требования к точности размеров и качеству поверхности. Определить тип детали (втулка, валик, крышка, фланец и т.д.), описать ее конструктивные элементы. Описать материал детали (химический состав и механические свойства). Определить тип производства.
- Выбрать метод производства заготовки. Назначить припуски на обработку. Определить коэффициент использования материала. Начертить чертеж заготовки.
- Выбрать методы обработки поверхностей.
- Рассчитать припуски на обработку одной поверхности аналитическим методом.
- Рассчитать режимы резания для обработки одной поверхности.
- Разработать маршрутный технологический процесс, назначить оборудование и режущий инструмент. Выполнить операционный эскиз для одной операции механической обработки.
![]()
Характеристики вопросов/заданий к КР
Учебное заведение
Просмотров
2
Размер
1,06 Mb
Список файлов
Контрольная Фомин .docx
Комментарии
Нет комментариев
Стань первым, кто что-нибудь напишет!

САФУ им. Ломоносова
vitalievnatalia

















