Для студентов по предмету Основы проектирования станковПоперечно-строгальный станок спс-01Поперечно-строгальный станок спс-01
4,9951099
2023-09-202025-06-21СтудИзба
Курсовая работа: Поперечно-строгальный станок спс-01
Описание
Характеристики курсовой работы
Программы
Просмотров
14
Размер
1,56 Mb
Список файлов
ПЗ
РЕФЕРАТ.docx
пояснительная записка.docx
содержание.docx
Чертежи
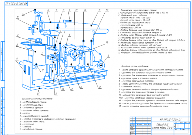
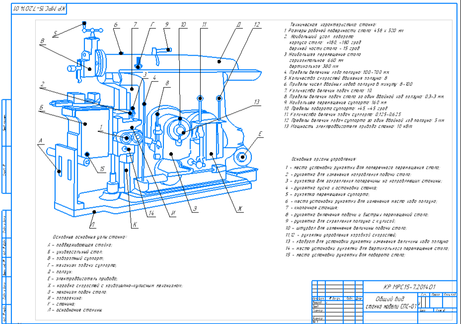
ОБЩИЙ ВИД.cdw
график частот двойных ходов.cdw
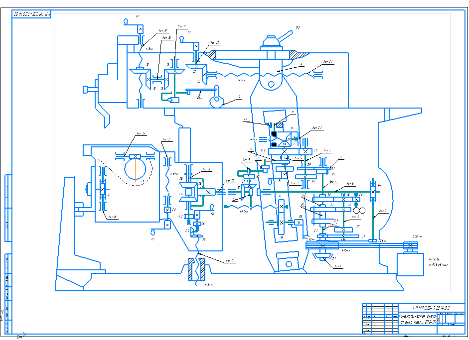
кинематическая схема.cdw
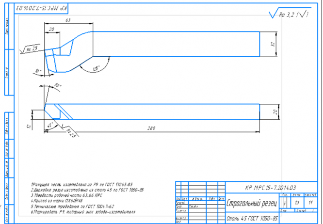
резец строгальный.cdw
структурная сетка.cdw

Спасибо за покупку! Я буду очень рад, если поставишь справедливую оценку купленному файлу